ABLIC S-821A & S-821B Battery Protection ICs

ABLIC S-821A and S-821B Battery Protection ICs include a high-accuracy voltage detection circuit, delay circuit, and triple boost charge pump to drive an external charge/discharge FET. These high-side protection ICs use an external overcurrent detection resistor to realize high-accuracy overcurrent protection with less effect from temperature change. The S-821A and S-821B ICs feature a ±15mV overcharge detection voltage accuracy, discharge overcurrent control function, and 50nA low current consumption (at Ta=25°C and during power-down). These ICs protect Lithium-ion rechargeable battery packs and Lithium polymer rechargeable battery packs.

Features

  • Power-saving function which can disable discharge from the battery while reducing the protection IC current consumption to a maximum of 50nA to minimize current consumed by the battery to as close to 0 as possible
  • Overheat detection function:
    • Available and unavailable
  • Discharge overcurrent control function:
    • Release condition of discharge overcurrent status:
    • Load disconnection and charger connection 
  • 0V battery charge:
    • Enabled and inhibited
  • Power-down function:
    • Available and unavailable
  • Power-saving function:
    • Available and unavailable
  • Triple boost (regulation voltage = VDD + 4.2V) internal charge pump
  • Detection delay times are generated only by an internal circuit (external capacitors are unnecessary)1MΩ to 10MΩ (1MΩ step) PS pin internal resistance value
  • Active "H" active "L" PS pin control logic
  • -40°C to 85°C wide operation temperature range
  • ±15mV overcharge detection voltage accuracy
  • Low current consumption:
    • 6µA typical and 10µA maximum (Ta = 25°C) during operation
    • 50nA maximum (Ta = 25°C) during power-down
    • 1µA maximum (Ta = 25°C) during over-discharge
    • 50nA maximum (Ta = 25°C) during power-saving

Applications

  • Lithium-ion rechargeable battery packs
  • Lithium polymer rechargeable battery packs

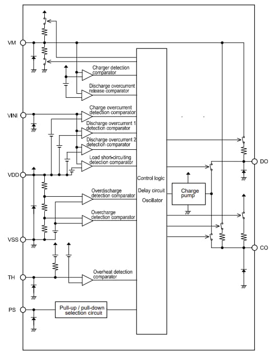
Block Diagram

Block Diagram - ABLIC S-821A & S-821B Battery Protection ICs

S-821A Connection Example

ABLIC S-821A & S-821B Battery Protection ICs

Overview

ABLIC S-821A & S-821B Battery Protection ICs
Published: 2024-12-03 | Updated: 2024-12-10