Amphenol Advanced Sensors NPC-1220 Pressure Sensors

Amphenol Advanced Sensors NPC-1220 Pressure Sensors provide a cost-effective solution for applications that require calibrated performance over a wide temperature range. These pressure sensors with an optional pressure port and lead configurations offer superior flexibility in low-profile applications where pressure connection orientation is critical. The NPC-1220 series is based on NovaSensor's advanced SenStable® piezoresistive sensing technology. Pressure sensing elements feature four piezoresistors. The piezoresistors form by ion implantation and connect to a Wheatstone bridge circuit and silicon diaphragms with high overload capability. Amphenol Advanced Sensors NPC-1220 Pressure Sensors are available in pressure ranges from 0psi to 5psi (0bar to 0.34bar) through 0psi to 100psi (0bar to 6.89bar). Applications include industrial automation, airflow monitors, process control, medical equipment, and underground cable leak detection.

Features

  • 50mV full-scale output (FSO)
  • 0.1% accuracy
  • Interchangeable
  • 0°C to +60°C operating temperature range
  • Solid-state reliability
  • Individual device traceability
  • PCB mountable
  • DIP package

Applications

  • Industrial automation
  • Process control
  • Medical equipment
  • Airflow monitors
  • Underground cable leak detection

Schematic

Schematic - Amphenol Advanced Sensors NPC-1220 Pressure Sensors

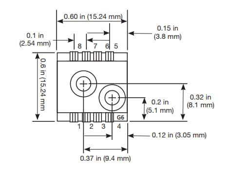
Dimensions

Amphenol Advanced Sensors NPC-1220 Pressure Sensors
Published: 2018-09-05 | Updated: 2022-08-01