ams OSRAM OSLON® CSBPM2.24 Far Red LED

ams OSRAM OSLON® Square GF CSBPM2.24 Far Red LED is optimized for horticulture. This LED features a unique and innovative radiation pattern designed to illuminate plants evenly for uniform growth while reducing the number of luminaires required. The high-power GF CSBPM2.24 LED provides excellent reliability, a long lifetime, and low thermal resistance in a compact footprint.

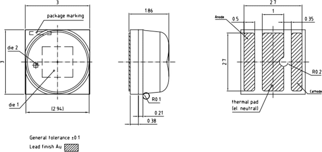
The ams OSRAM OSLON® Square GF CSBPM2.24 Far Red LED features an ultra-compact 3.0mm x 3.0mm footprint ideal for high-density arrays.

Features

  • 3.0mm x 3.0mm SMD ceramic package with a silicon lens
  • 150° radiation
  • Very low thermal resistance
  • Superior robustness for a long lifetime
  • 100mA to 1000mA forward current (IF)
  • 2000mA maximum surge current (IFS)
  • 730nm peak wavelength (λpeak)
  • 710nm to 740nm centroid wavelength; 727nm typical (λcentroid)
  • 35nm spectral bandwidth at 50% Irel,max (∆λ)
  • 140° viewing angle at 50% IV (2φ)
  • 1.60V to 2.20V forward voltage; 1.90V typical (VF)
  • Corrosion robustness class: 3B
  • ESD: 8kV according to ANSI/ESDA/JEDEC JS-001 (HBM, Class 3B)
  • Radiant flux: 352mW typical
  • Radiant efficiency: 53% typical
  • Photon flux: Up to 2.15μmol/s
  • Photon flux efficacy: 2.15μmol/J typical
  • -40°C to +120°C operating temperature range

Applications

  • Horticulture lighting
  • Architecture

Package Outline

Mechanical Drawing - ams OSRAM OSLON® CSBPM2.24 Far Red LED
Published: 2021-11-09 | Updated: 2023-07-25