Analog Devices Inc. ADRF5534 RF Front-End Multichip Modules
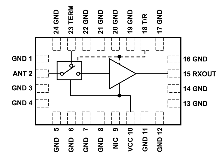
Analog Devices Inc. ADRF5534 RF Front-End Multichip Modules are designed for Time Division Duplex (TDD) applications and operate within the 3.1GHz to 4.2GHz frequency range. These multichip modules are configured with an LNA and a high-power silicon SPDT switch. The LNA offers a low Noise Figure (NF) of 1.3dB and a high gain of 35.5dB with a third-order input intercept point (IIP3) of −4dBm in the receive operation. The switch provides a low insertion loss of 0.8dB and handles a Long-Term Evolution (LTE) average power of 37dBm for complete lifetime operation in the transmit operation. The ADRF5534 RF front-end multichip modules are ideal for wireless infrastructure, TDD-based communication systems, and TDD massive Multiple Input and Multiple Output (MIMO), and active antenna systems.Features
- Integrated RF front end:
- LNA and high-power silicon SPDT switch
- On-chip bias and matching
- Single-supply operation
- 35.5dB typical gain @ 3.6GHz
- 1.5dB gain flatness @ 25°C across 400MHz bandwidth
- 1.3dB typical low noise figure @ 3.6GHz
- 0.8dB typical low insertion loss @ 3.6GHz
- Positive logic control
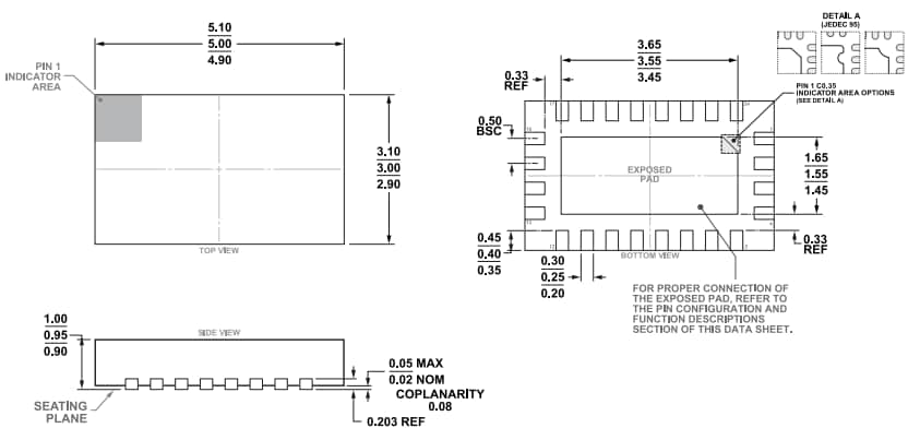
- 5mm × 3mm, 24-lead LFCSP package
- High-power handling at TCASE = 105°C
- Full lifetime
- 37dBm LTE average power (8dB PAR)
- Single event (<10sec operation)
- 39dBm LTE average power (8dB PAR)
- Full lifetime
- -4dBm high Input IP3
- Low-supply current:
- 120mA typical receive operation @ 5V
- 15mA typical transmit operation @ 5V
Applications
- Wireless infrastructure
- TDD massive Multiple Input and Multiple Output (MIMO) and active antenna systems
- TDD-based communication systems
Block Diagram
Dimensions
Published: 2023-04-27
| Updated: 2023-05-09
