Analog Devices Inc. DC3082A-C Demo Circuit for LTM4681

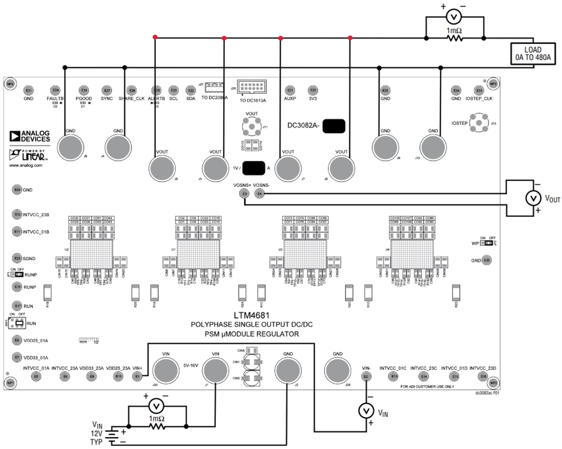
Analog Devices Inc. DC3082A-C Demo Circuit for LTM4681, a PolyPhase® single output DC/DC step-down μModule® regulator. The LTM4681 comes with digital power system management. DC3082A-C is configured as a 16-phase single output using 4× LTM4681. The factory default input voltage is 12V typical, and the output voltage is 1V at 480A typical or 500A peak with recommended 400LFM forced airflow. The demo board output voltages can be adjusted from 0.6V to 1V. Programming the output voltages to any value greater than 1V requires derating output current based on thermal derating curves provided in the datasheet of the LTM4681. The heat sink or other appropriate electronic cooling systems can also be used with forced airflow to optimize the output power further when the output is on and loaded with maximum output current.

The factory default switching frequency is preset at 350kHz typical. Analog Devices Inc. DC3082A-C comes with a PMBus interface and digital power system management functions. An onboard 12-pin connector is available for users to connect the dongle DC1613A to the demo board. This connector provides an easy way to communicate and program the part using the LTpowerPlay® software development tool. LTpowerPlay software and I2C/PMBus/SMBus dongle DC1613A allow users to monitor real-time telemetry of input and output voltages, input and output current, switching frequency, internal IC die temperatures, power stage component temperatures, and fault logs. Programmable parameters include device address, output voltages, control loop compensation, switching frequency, phase interleaving, DCM or CCM mode of operation. These also include digital soft-start, sequencing, and time-based shutdown, fault responses to input and output overvoltage, output overcurrent, IC die, and power component overtemperature.

LTpowerPlay GUI Software

LTpowerPlay is a robust Windows-based development environment that supports Analog Devices Inc. Digital Power System Management (PSM) products. LTpowerPlay supports various tasks, such as evaluating Analog Devices' ICs by connecting to a demo board system and in an offline mode (with no hardware present) to build a multi-chip configuration file that can be saved and reloaded at a later time. It also provides unprecedented diagnostic and debug features and becomes a valuable diagnostic tool during board bring-up to program or tweak the power management scheme in a system or to diagnose power issues when bringing up rails.

Download LTpowerPlay from Analog Devices Inc.

Equipment Setup

Mechanical Drawing - Analog Devices Inc. DC3082A-C Demo Circuit for LTM4681
Published: 2021-08-09 | Updated: 2022-03-11