Analog Devices Inc. EV-ADF4371SD2Z/EV-ADF4372SD2Z Evaluation Boards

Analog Devices EV-ADF4371SD2Z/EV-ADF4372SD2Z Evaluation Boards evaluate the performance of the ADF4371/ADF4372 frequency synthesizer with an integrated voltage-controlled oscillator (VCO) for phase-locked loops (PLLs). Each evaluation board features a pre-mounted ADF4371 or ADF4372 RF IC, a USB interface, power supply connectors, and 12 Subminiature Version A (SMA) connectors.

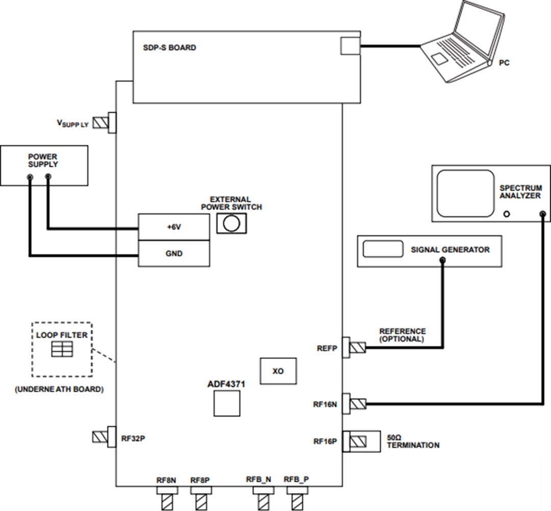
The EV-ADF4371SD2Z/EV-ADF4372SD2Z Evaluation Board requires the SDP-S (System Demonstration Platform-Serial) Controller Board (EVAL-SDP-CS1Z), which is not supplied with the kit. The SDP-S Controller Board is based on a USB to Serial Engine providing connectivity to a PC via a USB 2.0 high speed port. The SDP-S Controller Board allows software programming of the EV-ADF4371SD2Z or EV-ADF4372SD2Z.

Features

  • Self-contained board, including pre-mounted ADF4371 frequency synthesizer with integrated VCO, 180kHz loop filter, USB interface, and voltage regulators
  • Windows-based software allows control of synthesizer functions from a PC
  • Externally powered by 6V
  • Requires SDP-S Controller Board (EVAL-SDP-CS1Z, not included)

Required Equipment

  • Equipment Needed
    • Windows®-based PC with USB port for evaluation software
    • System demonstration platform, serial only (SDP-S)
    • EVAL-SDP-CS1Z controller board
    • Power supply (6V)
    • Spectrum analyzer
    • 50Ω terminators
    • Low noise REFIN source (optional)
  • Documents Needed
    • ADF4371 or ADF4372 datasheet
    • EV-ADF4371SD2Z or EV-ADF4372SD2Z user's guide
  • Required Software
    • ACE software, Version 1.10 or newer
    • ADF4371 or ADF4372 plugin, latest version

Setup Diagram

Analog Devices Inc. EV-ADF4371SD2Z/EV-ADF4372SD2Z Evaluation Boards
Published: 2019-03-05 | Updated: 2025-03-25