Analog Devices Inc. EVAL-ADM3058EEBZ Evaluation Board

Analog Devices Inc. EVAL-ADM3058EEBZ Evaluation Board evaluates ADM3058E isolated signal and power transceivers for CAN or CAN FD networks. This evaluation board allows all the input and output functions to work without the need for external components. The EVAL-ADM3058EEBZ board operates within a -40°C to +125°C industrial temperature range. This evaluation board is populated with the 8-lead standard small outline package, increased creepage (SOIC_IC) with >8mm creepage. Typical applications include industrial automation, process control, building control, transport, and infrastructure.

Features

  • ADM3058E 12Mbps isolated CAN FD transceivers
  • -40°C to +125°C industrial operating temperature range
  • 2-layer PCB with low radiated emissions, passes EN 55022 Class B
  • 6V to 9V LDO regulator supply voltage range
  • SMA connectors for TXD pin and RXD pin signals

Applications

  • CANOpen, DeviceNet, and other CAN bus implementations
  • Industrial automation
  • Process control and building control
  • Transport and infrastructure

Kit Contents

  • EVAL-ADM3058EEBZ evaluation board
  • ADM3058EBRIZ CAN interface IC

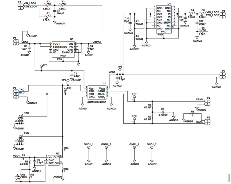
Evaluation Board Schematic

Schematic - Analog Devices Inc. EVAL-ADM3058EEBZ Evaluation Board
Published: 2020-08-03 | Updated: 2024-10-25