Analog Devices Inc. HMC3716 HBT Digital Phase Frequency Detectors

Analog Devices HMC3716 HBT Digital Phase Frequency Detectors operate from 10 to 1300MHz and are designed for low-phase noise synthesizer applications. HMC371 detectors offer high frequency operation and an ultra-low phase noise floor of -153dBc/Hz @ 10kHz offset @ 100MHz. These performance features enable synthesizers with wide loop bandwidth and low N to provide fast switching and very low phase noise. When used with a differential loop amplifier, the HMC3716LP4E produces output voltages that designers can use to phase lock a VCO to a reference oscillator.

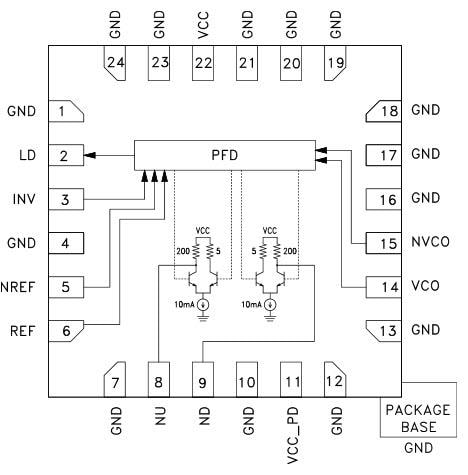
HMC3716 is housed in a 24-pin, 4mm x 4mm leadless QFN surface-mount package with an exposed ground paddle to improve RF and thermal performance.

Features

  • Ultra-low SSB Phase Noise Floor
    • -153dBc/Hz @ 10kHz offset @ 100MHz
  • Integrated Output Resistors
  • Improved Input Sensitivity
  • Lock Detect and Invert Functionality
  • 24-Pin 4 x 4mm SMT Package

Applications

  • Point-to-Point Radios
  • Satellite Communication Systems
  • Military Applications
  • Sonet Clock Generation

Functional Block Diagram

Analog Devices Inc. HMC3716 HBT Digital Phase Frequency Detectors
Published: 2016-09-30 | Updated: 2022-03-11