Analog Devices Inc. HMC647ALP6E 6-bit Digital Phase Shifters

Analog Devices HMC647ALP6E 6-bit Digital Phase Shifters offer 360° of phase coverage and 5.625° LSB. Rated from 2.5GHz to 3.1GHz, these shifters feature very low 1.5° RMS phase error and extremely low ±0.4dB insertion loss variation across all phase states. The positive 0/+5V logic controls this high accuracy phase shifter. Analog Devices HMC647ALP6E is internally matched to 50Ω with no external components.

Features

  • Low RMS phase error 1.5°
  • Low insertion loss 4dB
  • High linearity +50dBm
  • Positive control logic
  • 360° coverage, LSB = 5.625°
  • 28 lead QFN leadless SMT package 36mm²

Applications

  • EW receivers
  • Weather radars
  • Military radars
  • Satellite communications
  • Beamforming modules
  • Phase cancellation

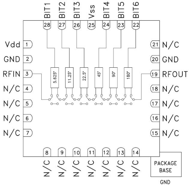
Functional Diagram

Analog Devices Inc. HMC647ALP6E 6-bit Digital Phase Shifters
Published: 2016-07-28 | Updated: 2022-03-11