Analog Devices Inc. LT6375 Voltage Difference Amplifiers

Analog Devices Inc. LT6375 Voltage Difference Amplifiers are unity-gain difference amplifiers that combine DC precision, high-input common mode range, and wide supply voltage range. These amplifiers include a precision op-amp with Over-The-Top® protected inputs that allow robust operation in environments with unpredictable conditions. The LT6375 amplifiers feature good common mode rejection ratio (CMRR), low gain error, highly-matched thin film resistor, and low gain drift. Typical applications include industrial data-acquisition front-ends, precision difference amplifiers, a replacement for isolation circuits, and high-voltage to low-voltage translation.

Features

  • ±270V common mode voltage range
  • 97dB minimum CMRR (LT6375A)
  • 0.0035% (35ppm) maximum gain error (LT6375A)
  • 300µV maximum offset voltage (LT6375A)
  • 1ppm/°C maximum gain error drift
  • 2ppm maximum gain non-linearity
  • 3.3V to 50V wide supply voltage range
  • -40°C to 125°C specified temperature-range
  • Rail-to-Rail output
  • 350µA supply current
  • Selectable internal resistor divider ratio
  • 575kHz and -3dB bandwidth (resistor divider = 7)
  • 375kHz and -3dB bandwidth (resistor divider = 20)
  • 20μA low power shutdown (DFN package only)
  • Space-saving MSOP and DFN packages

Applications

  • Industrial data-acquisition front-ends
  • Precision difference amplifier
  • Bidirectional wide common mode range current sensing
  • High side or low side current sensing
  • Replacement for isolation circuits
  • High voltage to low voltage level translation

Typical Application Circuit

Application Circuit Diagram - Analog Devices Inc. LT6375 Voltage Difference Amplifiers

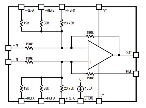
Block Diagram

Block Diagram - Analog Devices Inc. LT6375 Voltage Difference Amplifiers
Published: 2018-10-04 | Updated: 2023-02-24