Analog Devices Inc. MAX17616/A 7A Current Limiters
Analog Devices Inc. MAX17616/A 7A Current Limiters offer highly versatile and programmable protection boundaries for systems against input voltage faults and output overcurrent faults. Input-voltage faults (with positive polarity) are protected up to +80V (without reverse current protection) and +75V (with reverse current protection) by an internal nFET featuring low ON-resistance (20mΩ typical). The Analog Devices Inc. MAX17616/A devices feature programmable undervoltage-lockout (UVLO) thresholds by using external voltage dividers. The MAX17616 features a programmable overvoltage-lockout (OVLO) while MAX17616A offers a programmable output voltage clamp function through the OVFB pin that features an output voltage limiting regulation during input transient surge events. Input undervoltage and overvoltage protection (MAX17616)/output voltage clamp function (MAX17616A) can be programmed across the entire 3V to 80V operating range.Features
- Robust protection reduces system downtime
- Wide +3V to +80V input supply range (without reverse current protection)
- Wide +3V to +75V input supply range (with reverse current protection)
- ±3% accurate programmable current limit between 3A to 7A across the full temperature range
- ±4% accurate programmable current limit between 2A to 3A across the full temperature range
- ±7% accurate programmable current limit between 0.7A to 2A across the full temperature range
- Input-voltage reverse-polarity protection (with external nFET)
- Dual stage reverse current protection (with external nFET) with fast 100ns response time
- Low RON internal nFET (20mΩ typical)
- Output-voltage reverse-polarity tolerant
- Loss of ground protection
- 200% short-term overload capability
- Programmable overvoltage surge protection (MAX17616A)
- PMBus interface
- Real-time operating conditions monitoring, voltage, and current readout
- Fault registry access and management
- Device ON/OFF control
- Current limit mode selection
- Startup inrush current limit selection
- Short-term over current limit and time selection
- Flexible design to maximize reuse and minimize requalification
- Adjustable UVLO and OVLO/OVFB thresholds
- ±2% accurate bandwidth current monitoring read-out, IMON (3A to 7A, up to +85°C)
- Programmable startup inrush current limit
- Programmable Current Limit Fault Response: Continuous, Autoretry, and Latch-off Modes
- Logic Level Enable Input (EN)
- Protected external N-type field effect transistor (nFET) gate drive
- Power good output (PGOOD)
- Programmable Output Under Voltage Sense (OUTUV)
- Junction temperature monitoring (TJ)
- Thermal foldback current limit
- Reduced solution footprint
- 4.5mm x 5.75mm, 23-pin FCQFN package
- Integrated nFET for common-use protection requirements
Applications
- Input voltage and output overcurrent protections: The MAX17616/MAX17616A interrupts load current and disconnects the output from the input in input voltage faults and output overcurrent faults.
- Loss of ground protection: The MAX17616/MAX17616A interrupts load current and disconnects the output from the input in a Loss of Ground event, such as when the single-fault safety fuse on its ground path opens up.
- Surge protection: The MAX17616A features an output voltage limiting regulation during transient surges in input voltage to protect connected loads from short-duration input voltage surge events.
Simplified Application Diagram
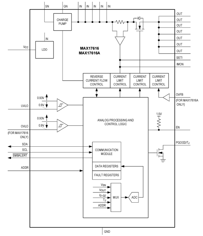
Functional Block Diagram
Published: 2024-12-12
| Updated: 2025-01-16
