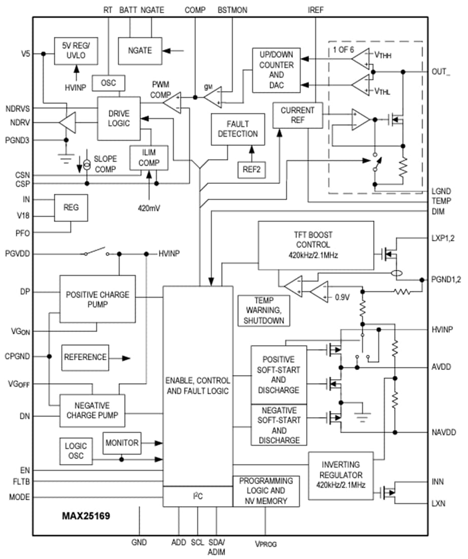
Analog Devices Inc. MAX25169 6-Channel LED Backlight Driver
Analog Devices Inc. MAX25169 6-Channel Backlight LED Driver is a LED backlight driver IC and highly integrated TFT power supply for automotive TFT-LCD applications. This IC integrates one boost converter, two gate-driver supplies, one inverting buck-boost converter, and a boost/SEPIC controller that can power 1 to 6 strings of LEDs in the display backlight.The source-driver power supplies consist of a boost converter that can provide up to +18V in unipolar mode. It includes an inverting buck-boost converter that can generate a voltage down to -10.5V. The AVDD output can deliver up to 300mA at 13.5V, while NAVDD can provide up to 200mA. The positive source-driver supply-regulation voltage (VAVDD) is set through I2C or internal NV memory. The negative source-driver supply voltage (VNAVDD) is always tightly regulated to -VAVDD. The source-driver supplies operate from an input voltage between 2.65V and 5.5V.
The gate-driver power supplies consist of regulated charge pumps that generate up to +31.5V and down to -18V and can deliver up to 15mA each. The IC features a 6-string LED driver with input switch control (NGATE) that can power up to 6 strings of LEDs with 150mA (max) of current per string. The Analog Devices Inc. MAX25169 is available in a 7mm x 7mm, 48-pin TQFN package with an exposed pad. It operates over the -40°C to +125°C ambient temperature range.
Features
- 4-output TFT-LCD bias power
- 2.65V to 5.5V input for the TFT-LCD section
- Integrated 420kHz or 2.1MHz boost and buck-boost converters
- Positive and negative 15mA gate voltage regulators with adjustable output voltage (tripler/inverting doubler)
- Flexible sequencing
- Undervoltage detection on all outputs
- Low-quiescent current standby mode
- 6-Channel, 36V LED backlight driver
- NGATE control for external nMOSFET series switch
- Programmable nMOSFET current limit
- Up to 150mA current per channel
- 4.5V to 36V input voltage range, 3V operation after startup
- Integrated Boost/SEPIC controller (400kHz to 2.2MHz with synchronization)
- Dimming ratio 16,667:1 at 200Hz
- Adaptive voltage optimization to reduce power dissipation in LED current sinks
- Open-string, shorted-LED, and short-to-GND diagnostics
- Low EMI
- Phase-shift dimming of LED strings
- Spread spectrum on LED driver and TFT outputs
- Selectable switching frequency
- I2C interface for control and diagnostics
- Fault indication through the FLTB Pin and I2C
- Non-volatile configuration memory
- Overload and thermal protection
- ASIL B compliant
- -40°C to +125°C ambient temperature operation
- 7mm x 7mm, 48-Pin TQFN package with exposed pad
- AEC-Q100 Grade 1
Applications
- Automotive dashboards
- Automotive central information displays
- Automotive head-up displays
Videos
Simplified Block Diagram
