Analog Devices / Maxim Integrated MAX14745 Wearable Charge-Management Solution
Analog Devices MAX14745 Wearable Charge-Management Solution consists of a linear battery charger, a smart power selector, and many power-optimized peripherals. The MAX14745 was designed for low-power wearable applications such as fitness monitors and rechargeable IoT devices. Five regulated voltages are provided via the two ultra-low quiescent current buck regulators and three ultra-low quiescent current low-dropout (LDO) linear regulators. The regulators individually have an ultra-low quiescent current, enabling power consumption to a minimum and extending battery life. A smart power selector, as part of the Analog Devices MAX14745 Wearable Charge-Management Solution's battery charger, supports operation on a dead battery when connected to a power source.Overloading the power adapter is avoided as the input current to the smart power selector is limited based on an I2C register setting. The Analog Devices MAX14745 Wearable Charge-Management Solution charger reinforces temperature-dependent charge currents. A dedicated input pin is offered on each of the three configurable LDOs. An optional feature furnished configures the linear regulators as power switches, enabling a disconnect through the quiescent load of the system peripherals. Applications that require a true-off or always-on state can be configured through the programmable power controller.
Features
- Extend system use time between battery charging
- Dual ultra-low IQ 200mA buck regulators
- Output programmable from 0.8V to 2.375V and 0.8V to 3.95V
- 0.9μA (typ) quiescent current (buck 1)
- Optional fixed peak-current mode to optimize ripple frequency in noise-sensitive applications
- Three ultra-low IQ 100mA LDOs
- LDO1
- Output programmable from 0.8V to 3.6V
- 0.6μA (typ) quiescent current
- 2.7V to 5.5V input with dedicated pin
- LDO2/3
- Output programmable from 0.9V to 4V
- 1μA (typ) quiescent current
- 1.71V to 5.5V input with dedicated pin
- Dual ultra-low IQ 200mA buck regulators
- Easy-to-implement Li+ battery charging
- Smart power selector
- 28V/-5.5V tolerant input
- Thermistor monitor
- Minimize solution footprint through high integration
- Provides five regulated voltage rails
- Switch mode option on each LDO
- Optimize system control
- Monitors pushbutton for ultra-low power mode
- Power-on reset delay and voltage sequencing
- On-chip voltage monitor multiplexer
Applications
- Wearable electronics
- Fitness monitors
- Rechargeable IoT devices
Videos
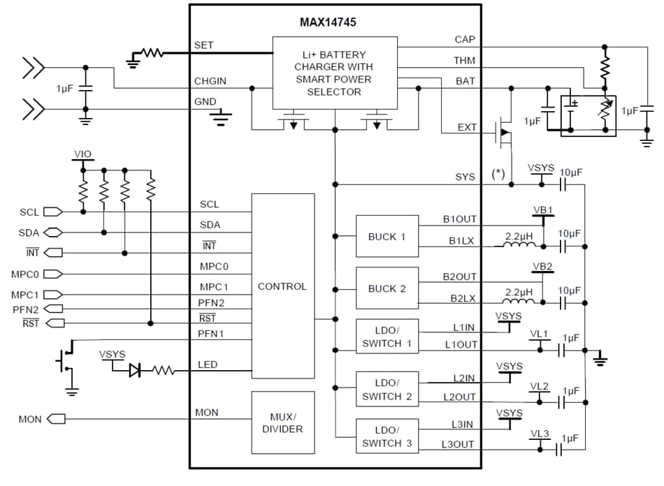
Typical Application Circuit
Published: 2018-04-17
| Updated: 2023-04-12
