Analog Devices / Maxim Integrated MAX20446C Automotive 6-Channel Backlight Driver

Analog Devices Inc. MAX20446C Automotive 6-Channel Backlight Driver features a boost controller for automotive displays and integrated current outputs that can sink up to 130mA LED current each. ADI MAX20446C accepts a wide 4.5V to 36V input voltage range and withstands automotive load-dump events. The internal current-mode switching DC-DC controller supports boost or SEPIC topologies, and operates in the 400kHz to 2.2MHz frequency range. Integrated spread spectrum helps reduce EMI. An adaptive output-voltage control scheme minimizes power dissipation in the LED current-sink paths.

Features

  • Wide voltage-range operation
    • Operates down to 4V supply after startup
    • Survives load dump up to 52V
  • High integration
    • A complete 6-channel solution including boost controller
    • All settings performed with external components, no need for microcontroller intervention
  • Robust and low EMI
    • Spread-spectrum oscillator
    • Phase-shifting
    • 400kHz to 2.2MHz switching-frequency range
  • Versatile dimming scheme allows hybrid or PWM-only dimming
    • Dimming ratio > 10000:1 using hybrid dimming
    • 10000:1 dimming ratio at 200hz using PWM dimming
  • Complete fault protection
    • LED open/short detection and protection
    • Boost output undervoltage and overvoltage
    • Thermal shutdown
  • Compact (4mm x 4mm) 24-pin TQFN package

Applications

  • Infotainment displays
  • Central information displays
  • Instrument clusters

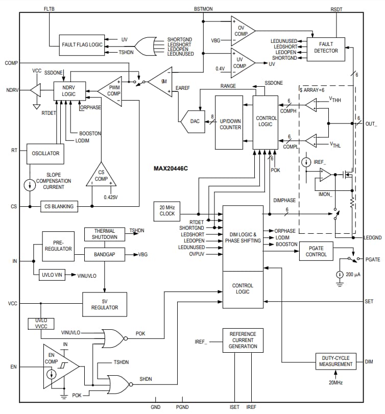
Block Diagram

Block Diagram - Analog Devices / Maxim Integrated MAX20446C Automotive 6-Channel Backlight Driver
Published: 2021-04-13 | Updated: 2023-04-13