Apogee Semiconductor AP54RHC301 Rad-Hard Dual 3-Input Majority Voters

Apogee Semiconductor AP54RHC301 Rad-Hard Dual 3-Input Majority Voters are designed for space, medical imaging, and other applications requiring radiation tolerance and high reliability. The radiation-hardened by design AP54RHC301 Dual 3-Input Majority Voters are fabricated in a 180nm CMOS process. These voters deliver high resiliency to single-event effects (SEE) and to a total ionizing dose (TID) up to 30krad (Si). The AP54RHC301 is available in an SMD TSSOP-14 package with an extended operating temperature range of -55°C to 125°C. These voters are designed for space, medical imaging, and other radiation tolerance applications.

The AP54RHC301 Rad-Hard Dual 3-Input Majority Voters are part of the AP54RHC logic family operating across a voltage supply range of 1.65VDC to 5.5VDC. These voters support zero-power penalty™, cold-sparing, and Class 2 ESD protection on all inputs and outputs. A proprietary output stage and full power-on reset (POR) circuit allow the AP54RHC301 to be cold-spared in any redundant configuration with no static power loss on any device pad.

Rad-Hard Overview

Apogee Semiconductor creates Radiation Hardened (Rad-Hard) semiconductor devices for Rad-Hard and extreme Single Event Effects (SEE, SET, SEU, SEL) fields; from Space (QML-V, QML-S) to MEO, LaGrange, LEO, Atmospheric to Downhole applications. These devices are also compatible with all aerospace, defense, military, and naval applications having a full Mil-Temp range of -55°C to +125°C.  Apogee is a turnkey mixed-signal ASIC (MS-ASIC) capable firm with secure capabilities, and all Apogee products can be produced with ITAR and CONUS flows.

Features

  • 1.65VDC to 5.5VDC operation
  • Inputs tolerant up to 5.5VDC at any VCC
  • Provides logic-level down translation to VCC
  • Extended operating temperature range (-55°C to 125°C)
  • Proprietary cold-sparing capability with zero static power penalty
  • Built-in triple redundancy for enhanced reliability
  • Internal power-on reset (POR) circuitry ensures reliable power-up and power-down responses during hot plug and cold-sparing operations
  • Class 2 ESD protection (4000V HBM, 500V CDM)
  • TID resilience of 30krad (Si)
  • SEL resilient up to LET of 80MeV-cm2/mg

Applications

  • Space
  • Medical imaging

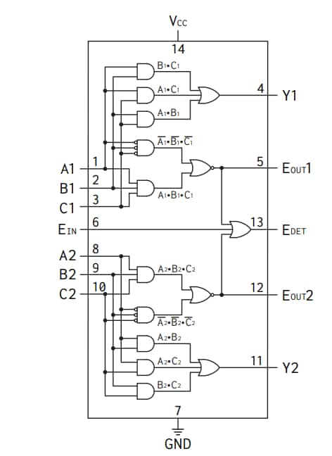
LOGIC DIAGRAM

Location Circuit - Apogee Semiconductor AP54RHC301 Rad-Hard Dual 3-Input Majority Voters

Voter application example

Block Diagram - Apogee Semiconductor AP54RHC301 Rad-Hard Dual 3-Input Majority Voters

Cold sparing example

Mechanical Drawing - Apogee Semiconductor AP54RHC301 Rad-Hard Dual 3-Input Majority Voters
View Results ( 7 ) Page
Part Number Datasheet Description Number of Output Lines Low Level Output Current High Level Output Current Propagation Delay Time Supply Voltage - Min Supply Voltage - Max Number of Gates Number of Input Lines
AP54RHC301ELT-R AP54RHC301ELT-R Datasheet Logic Gates LEO Dual 3-input RelBridge E-Grade SnPb TSSOP14 Tape and Reel 4 Output 24 mA - 24 mA 50 ns 1.65 V 5.5 V 2 Gate 4 Input
AP54RHC301ALT-R AP54RHC301ALT-R Datasheet Logic Gates LEO Dual 3-input RelBridge A-Grade SnPb TSSOP14 Tape and Reel 4 Output 24 mA - 24 mA 50 ns 1.65 V 5.5 V 2 Gate 4 Input
AP54RHC301CLT-R AP54RHC301CLT-R Datasheet Logic Gates LEO Dual 3-input RelBridge C-Grade SnPb TSSOP14 Tape and Reel 2 Output 24 mA - 24 mA 25 ns 1.65 V 5.5 V 2 Gate 6 Input
AP54RHC301ANT-J AP54RHC301ANT-J Datasheet Logic Gates LEO Dual 3-input RelBridge A-Grade NiPdAu TSSOP14 JEDEC tray 4 Output 24 mA - 24 mA 50 ns 1.65 V 5.5 V 2 Gate 4 Input
AP54RHC301BNT-J AP54RHC301BNT-J Datasheet Logic Gates LEO Dual 3-input RelBridge B-Grade NiPdAu TSSOP14 JEDEC tray 4 Output 24 mA - 24 mA 50 ns 1.65 V 5.5 V 2 Gate 4 Input
AP54RHC301ENT-J AP54RHC301ENT-J Datasheet Logic Gates LEO Dual 3-input RelBridge E-Grade NiPdAu TSSOP14 JEDEC tray 4 Output 24 mA - 24 mA 50 ns 1.65 V 5.5 V 2 Gate 4 Input
AP54RHC301NEVMLT-R AP54RHC301NEVMLT-R Datasheet Logic Gates LEO Dual 3-input RelBridge NEVMLT-R 2 Output 24 mA - 24 mA 25 ns 1.65 V 5.5 V 2 Gate 6 Input
Published: 2021-08-16 | Updated: 2024-08-27