Signal Transformer / Bel Printed Circuit Mount Power Transformers
Signal Transformer Printed Circuit Mount Power Transformers operate between a frequency range of 50Hz and 500Hz without degradation in the output voltage. These transformers feature single or dual primaries. The printed circuit mount power transformers offer a dielectric strength of 1500Vrms and a class B insulation system. These transformers are available as PC/DPC variants with two outputs and MPC/DMPC variants with two center tap outputs. The printed circuit mount power transformers are UL recognized to UL 506/ UL 5058-2, file #E63829 and CSA certified to C22.2 #66.1, file #221070.Features
- PC/DPC
- 1.0VA to 24VA power rating
- 1500Vrms Hipot dielectric strength
- 115V or 115/230V, 50-500Hz single or dual primaries
- Series or parallel dual secondaries
- Class B, +130°C, UL 1446 E66312 insulation system
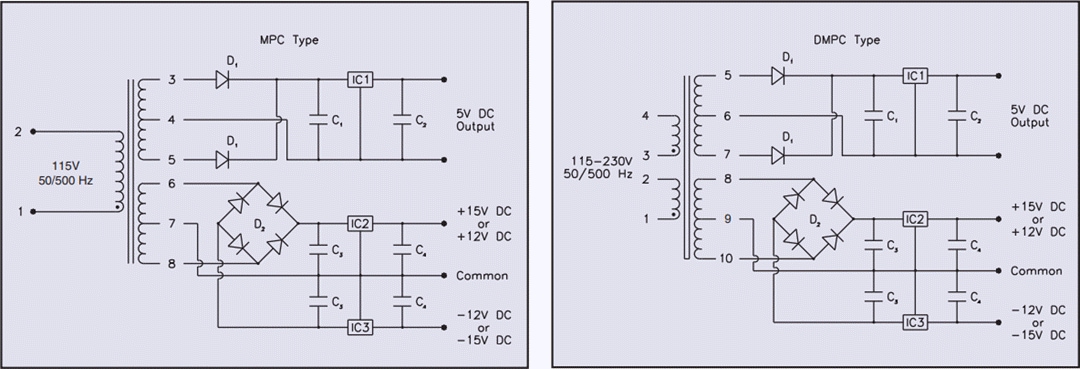
- MPC/DMPC
- 10VA and 24VA power rating
- 1500Vrms Hipot dielectric strength
- 115V or 115/230V, 50Hz to 500Hz single or dual primaries
- Dual complementary outputs, 5VDC with ±12VDC or 5VDC with ±15VDC
- Class B, +130°C, UL 1446 E66312 insulation system
MPC/DMPC Circuit Diagram
PC/DPC Circuit Diagram
Published: 2018-01-05
| Updated: 2022-10-19
