Broadcom ACPL-K308U Industrial Photovoltaic MOSFET Driver

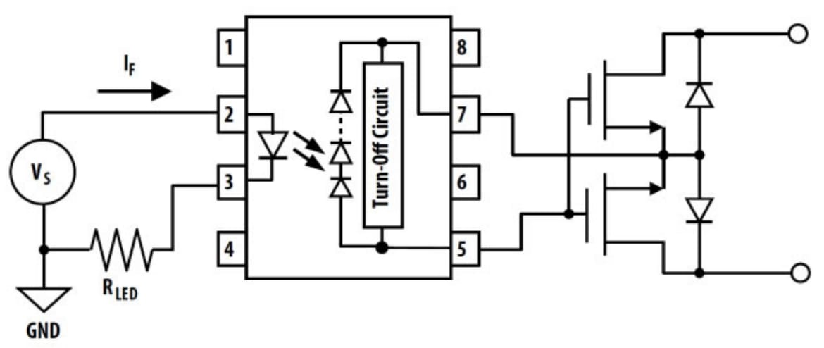
Broadcom ACPL-K308U Industrial Photovoltaic MOSFET Driver is designed to drive high-voltage MOSFETs. The ACPL-K308U consists of an AlGaAs infrared light-emitting diode (LED) input stage optically coupled to an output detector circuit. The detector consists of a high-speed photovoltaic diode array and a turn-off circuit. This photovoltaic driver turns on (contact closes) with a minimum input current of 5mA through the input LED. It turns off (contact opens) with an input voltage of 0.8V or less.

Features

  • 8mm creepage and clearance in a compact SSO-8 package
  • –40°C to +125°C operating temperature range
  • Photovoltaic driver for high-voltage MOSFETs in a solid-state relay application
  • 8.2V typical at IF = 10mA open circuit voltage
  • 70µA typical at IF = 10mA short circuit current
  • Logic circuit compatibility
  • 50µs (TON), 23µs (TOFF) at IF = 10mA, CL = 1nF switching speed (typical)
  • Configurable to wide portfolio of high-voltage MOSFETs
  • Galvanic isolation
  • High input-to-output insulation voltage
  • Safety and regulatory approvals
    • IEC/EN/DIN EN 60747-5-5, maximum working insulation voltage 1140 VPEAK
    • 5000Vrms for 1 minute per UL1577
    • CSA component acceptance

Applications

  • Solid-state relay module
  • Inrush current prevention
  • Insulation resistance measurement in the battery system
  • Solar PV inverters
  • EV charging system
  • Motor winding insulation

Application Circuit

Application Circuit Diagram - Broadcom ACPL-K308U Industrial Photovoltaic MOSFET Driver
Published: 2022-02-01 | Updated: 2025-02-20