Central Semiconductor CDMS24783-120 N-Channel SiC MOSFET
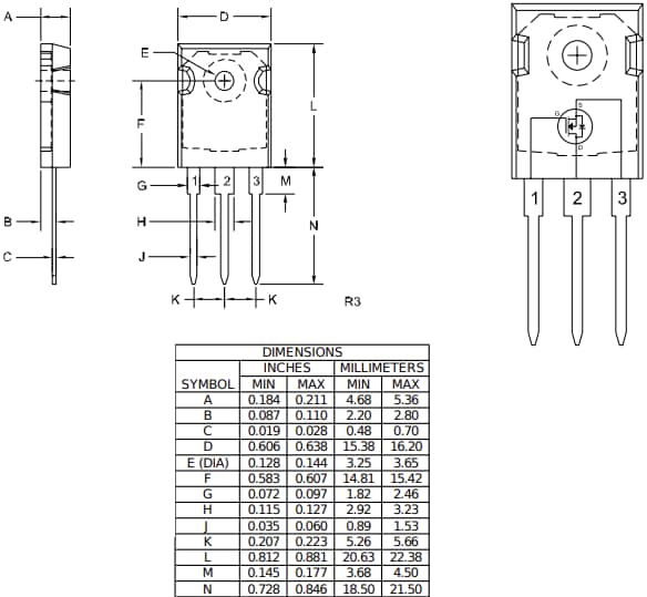
Central Semiconductor CDMS24783-120 Silicon Carbide (SiC) N-Channel MOSFET offers a 1200V drain-source voltage for high-speed switching and fast reverse recovery applications. This SiC MOSFET features a 20V gate-source voltage, 18A continuous drain current, 28W power dissipation, and 20A pulsed drain current. The CDMS24783-120 MOSFET supports higher breakdown voltage and better thermal conductivity. This device is available in a TO-247 package with an operating temperature range of -55°C to 175°C. Typical applications include Electric Vehicles (EV), renewable energy systems, and medical imaging equipment.Features
- 1200V drain-source voltage
- 20V gate-source voltage
- 18A continuous drain current
- 28W power dissipation
- -55°C to 175°C operating temperature range
- TO-247 package case
Applications
- Electric Vehicles (EV)
- Renewable energy systems
- Medical imaging equipment
Typical Output Characteristics
Dimension
Published: 2025-02-13
| Updated: 2025-07-21
