CUI Inc VGS-280B AC-DC Power Supplies
CUI Inc VGS-280B AC-DC Power Supplies are housed in a compact metal case and offer 200W output power with natural convection and 280W with forced air cooling. This CUI Inc internal AC-DC power supply is 62368-certified and features 5V standby and 12V fan outputs. VGS-280B is a rugged unit ideal for industrial applications.
Features
- 200W with natural convection, 280W with forced air cooling
- Certified to
- EN/UL 62368-1
- EN 55011/EN 55032
- 90VAC to 264VAC universal input range
- 5V standby and 12V fan outputs
- Output short-circuit, over-current, over-voltage, and over-temperature protection
- 5000m operating altitude
- -20°C to +70°C operating temperature range with derating
- Remote ON/OFF control
Applications
- Industrial
- Commercial
Specifications
- 12VDC to 54VDC output voltage range
- 280W maximum output power
- 5.18A to 23.33A maximum output current range
- 150mVp-p to 400mVp-p maximum ripple and noise range
- 91% typical efficiency
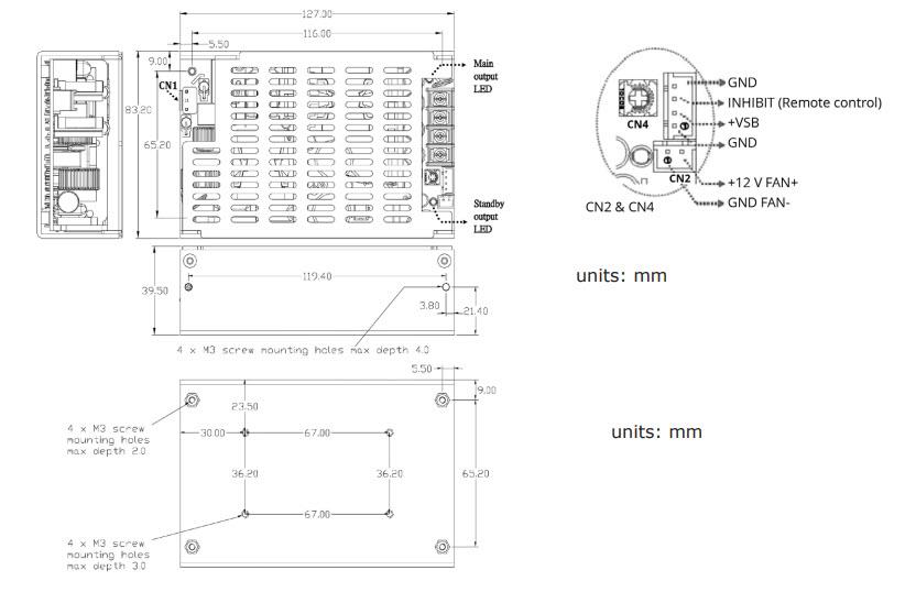
Mechanical Drawing
Published: 2025-02-14
| Updated: 2025-12-12
