e-peas AEM13921 Ultra-Efficient Energy Manager PMIC
e-peas AEM13921 Ultra-Efficient Energy Manager PMIC extracts DC power from two harvesting sources to store energy in a rechargeable battery and supply an application circuit. This fully integrated, compact, and ultra-efficient PMIC enables extending battery lifetime and eliminates the need for primary energy storage in a wide range of applications. The AEM13921 energy manager provides an extra charging input for 5V power supplies and a configurable CC and CV modes (maximum 135mA). This energy manager supports a unique cold-start feature, allowing it to operate with a low input voltage of 275mV (minimum 1.5µW power). Typical applications include smart homes, industrial sensors, smart buildings, retail, edge IoT, and PC accessories.
The AEM13921 energy manager supports various rechargeable batteries (LiC, Li-ion, LiPo, and Li-ceramic pouch) and system configuration by GPIO or I²C communication. The device turns off charging and discharging the battery during shipment. The AEM13921 energy manager features a 90% efficiency buck regulator, 0.6V and 2.5V selectable output voltage range, and up to 100mA output current. This device independently protects against over-temperature and under-temperature during charging and discharging.
Features
- Dual source inputs:
- Optimized boost operation for each source
- Efficiency above 90% on each source
- Harvests from 120mV after cold start
- Simultaneous harvesting from both sources
- Up to 135mA current extracted from the harvester
- Maximum power point tracking:
- Both sources are configurable to constant voltage mode or to open circuit voltage ratio mode
- Optimal harvesting from multiple combinations of harvesters (PV cells, RF, vibration, and pulsed sources)
- Cold start from 275mV/1.5µW input:
- Startup at ultra-low power from each harvesting source input
- Configurable over-discharge and overcharge protection supports various types of rechargeable batteries (LiC, Li-ion, LiPo, and Li-ceramic pouch)
- Regulated output for application circuit:
- Buck regulator with efficiency above 96%
- Selectable output voltage between 0.6V and 3.3V
- Output current up to 100mA
- Thermal monitoring- Storage element protection against overtemperature and under-temperature during charging and discharging, independently
- Average power monitoring provides data to measure the amount of energy transferred to the storage from each source, and from the 5V charger, as well as the energy drained from the storage to supply the application circuit
- System configuration by GPIO or I²C communication:
- All settings are dynamically configurable through GPIO or I²C (fast mode plus)
- System data is available through I²C
- External 5V charging capability:
- Extra charging input for 5V power supplies
- configurable CC and CV modes (maximum 135mA)
- Provides a fast charging alternative when no source is available for a long time
Applications
- Smart homes
- Industrial sensors
- Smart buildings
- Retails
- Edge IoTs
- PC accessories
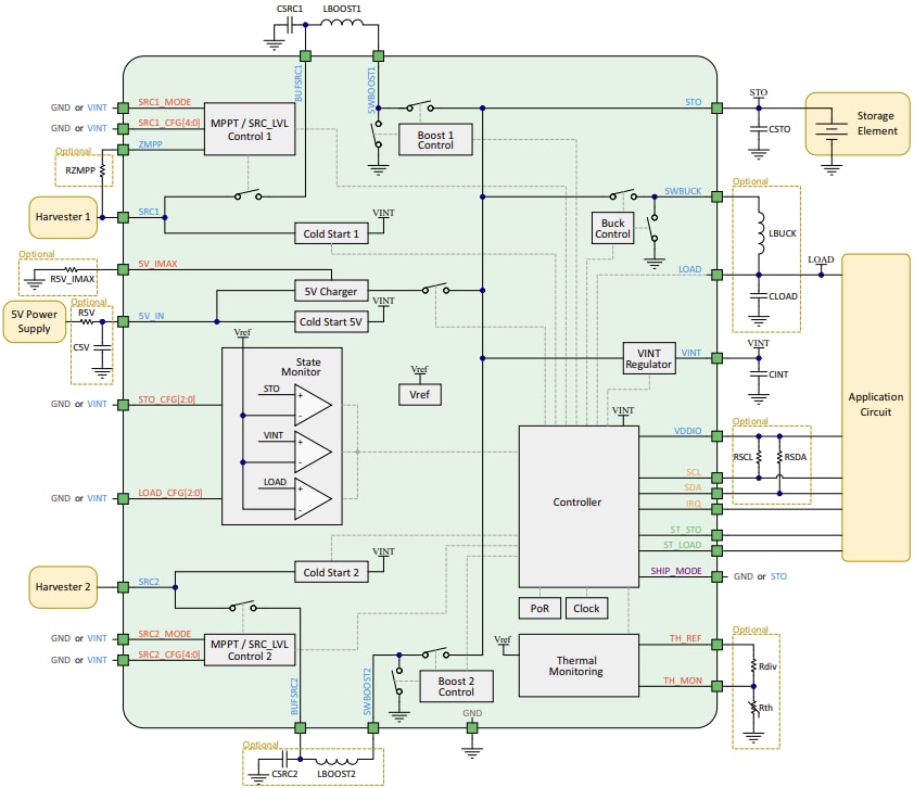
Block Diagram
Simplified Schematic
Schematic View of Buck And Boost Converters
