ECS ECS-5032MV SMD MultiVolt™ Crystal Oscillators

ECS ECS-5032MV SMD MultiVolt™ Crystal Oscillators are miniature HCMOS oscillators in a 5.0mm x 3.2mm x 1.3mm ceramic package. These crystal oscillators feature a frequency range of 0.75MHz to 160MHz, a multi-volt capability of 1.6V to 3.6V, and a 7ns rise and fall time. They exhibit a low phase jitter of 1pS. Typical ECS ECS-5032MV SMD MultiVolt Crystal Oscillators applications include low power/portable, industrial, and the Internet of Things (IoT).

Features

  • 5.0mm x 3.2mm footprint
  • 1.6V to 3.6V multi-volt capability
  • Extended temperature range
  • Wide supply voltage
  • 0.75MHz to 160MHz frequency range
  • 7ns rise/fall time
  • Low phase jitter
  • RoHS compliant

Applications

  • Low power/portable
  • Industrial
  • IoT

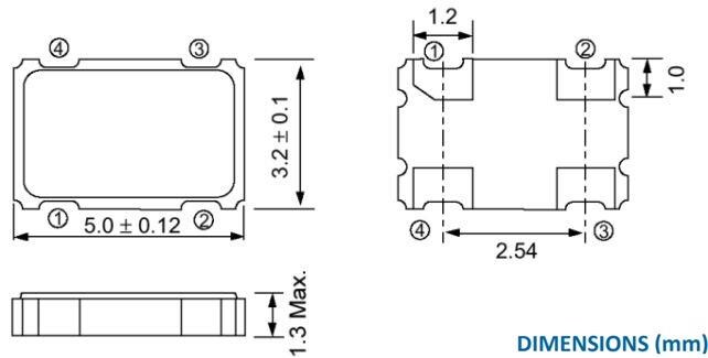
Mechanical Dimensions

Mechanical Drawing - ECS ECS-5032MV SMD MultiVolt™ Crystal Oscillators
Published: 2019-03-18 | Updated: 2023-03-23