Analog Devices Inc. EV-ADF4368SD1Z Evaluation Board

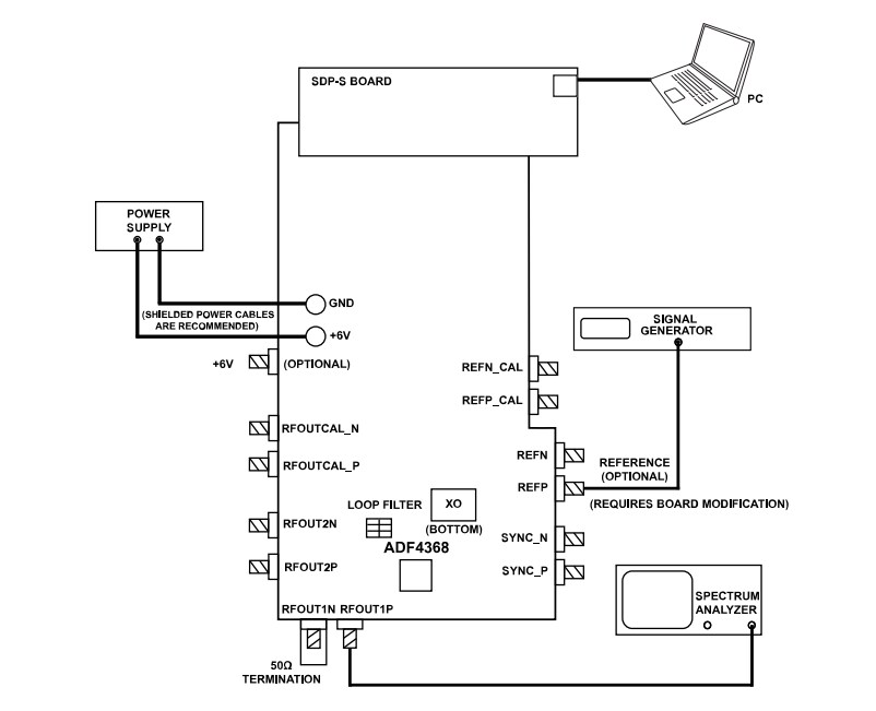
Analog Devices EV-ADF4368SD1Z Evaluation Board demonstrates the ADF4368 fractional frequency synthesizer with an integrated voltage-controlled oscillator (VCO) for phase-locked loops (PLLs). The EV-ADF4368SD1Z includes the ADF4368 frequency synthesizer with an integrated VCO, a USB interface, power supply connectors, an on-board reference oscillator, propagation delay calibration paths, and Subminiature Version A (SMA) connectors. The outputs are AC-coupled with 50Ω transmission lines making the outputs appropriate to drive 50Ω impedance instruments. The ADI EV-ADF4368SD1Z needs an SDP-S board (not supplied with the kit). The SDP-S permits software programming of the EV-ADF4368SD1Z with ACE software.

Features

  • Self-contained board, including ADF4368 frequency synthesizer with integrated VCO, loop filter, USB interface, onboard reference oscillator, propagation delay calibration paths, and voltage regulators
  • Windows®-based software allows control of synthesizer functions from a PC
  • Externally powered by 6V

Required Equipment

  • Windows-based PC with USB port for evaluation software
  • System demonstration platform, serial only (SDP-S) EVAL-SDPCS1Z controller board
  • Power supply (6V)
  • Spectrum analyzer or phase noise analyzer
  • 50Ω terminators
  • Low noise REFIN source (optional)

Setup Diagram

Application Circuit Diagram - Analog Devices Inc. EV-ADF4368SD1Z Evaluation Board

PCB Layout

Analog Devices Inc. EV-ADF4368SD1Z Evaluation Board
Published: 2023-07-31 | Updated: 2025-03-20