Infineon Technologies 2ED2410-EM MOSFET Gate Driver

Infineon Technologies 2ED2410-EM MOSFET Gate Driver features two independent gate outputs for 12V/24V automotive applications. This 2ED2410-EM MOSFET gate driver offers protection for connecting/disconnecting loads or different power supplies. The integrated boost converter allows external MOSFETs to stay continuously on and also operational at cold cranking conditions down to 3V. The 2ED2410-EM features four integrated comparators and three analog measurement interfaces for protection purposes, allowing flexible and versatile solutions for various E/E architecture requirements. This 2ED2410-EM gate driver features one channel device with two high-side gate driver outputs, adjustable overcurrent/short-circuit protection, and two bidirectional high-side analog current sense interfaces. The 2ED2410-EM gate driver operates at 3V to 58V input voltage range, 4µs of turn on/off propagation delay, and -55°C to 150°C the storage temperature range. Typical application includes a connection/isolation switch between power supplies and supports dependable power supply and distribution.

Features

  • Two bidirectional high-side analog current sense interfaces with externally adjustable gain
  • Channel control and diagnostic via pins
  • Analog interface for external temperature measurement
  • Gate Under Voltage Lock Out (UVLO)
  • AEC-Q100 qualification
  • One channel device with two high-side gate driver outputs
  • Support back-to-back MOSFET topologies (common drain and common source)
  • PRO-SIL™ ISO 26262-ready for supporting the integrator in the evaluation of hardware elements according to ISO 26262:2018 clause 8-13
  • Adjustable overcurrent/short-circuit protection
  • Versatile comparator to implement:
    • Adjustable I-t wire protection
    • Adjustable over/under voltage protection
    • Adjustable over temperature protection

Specifications

  • 3Ω pull-down, 50Ω pull-up for fast switch on/off
  • 3V to 58V input voltage range
  • 0.175A output current (source)
  • 1.4A output current (sink)
  • 4µs of turn on/off propagation delay
  • -40°C to 150°C operating junction temperature range
  • -55°C to 150°C the storage temperature range

Applications

  • Fail operational power supply targeting high current applications
  • Connection/isolation switch between power supplies
  • Developed to support dependable power supply and distribution
  • Power distribution box
  • DC/DC output protection switch

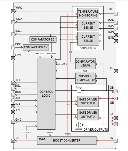
Block Diagram

Block Diagram - Infineon Technologies 2ED2410-EM MOSFET Gate Driver

Pin Configuration Diagram

Infineon Technologies 2ED2410-EM MOSFET Gate Driver
Published: 2022-08-23 | Updated: 2023-11-03