Infineon Technologies OptiMOS™ 7 80V Automotive Power MOSFETs

Infineon Technologies OptiMOS™ 7 80V Automotive Power MOSFETs are built with Infineon’s leading-edge, power semiconductor technology. These MOSFETs are designed specifically for the high performance, quality, and robustness needed for demanding automotive applications. The OptiMOS™ 7 80V MOSFETs operate with a ±20VGS gate source voltage and a temperature range of -55°C to 175°C. These MOSFETs are offered in top-side cooled SSO10T 5x7mm2 SMD package. The SSO10T package helps users achieve advancements in cooling and power density. The 80V power MOSFETs are MSL-1 rated, RoHS compliant, and 100% avalanche tested. These power MOSFETs are ideal for general automotive applications.

Features

  • Direct cooling path to ECU housing
  • Virtually no heat flows into the PCB
  • Industry’s largest exposed pad area
  • Freedom to route traces under the package
  • Can mount parts on the back side of the PCB
  • Leading edge on-resistance, RDS(on)
  • Fast switching times (turn on/off)
  • Tight threshold voltage, VGS(th) range
  • Extended qualification beyond AEC-Q101
  • Enhanced electrical testing
  • Package is listed with JEDEC
  • Enables excellent thermal management
  • 20% to 50% improved thermal impedance
  • 20% to 50% improved thermal resistance
  • Helps reduce ECU volume or PCB area
  • Helps reduce PCB cost (area, Cu, and vias)
  • Reduces PCB and system design effort
  • Helps achieve the highest power density
  • Reduces conduction losses
  • Superior switching performance
  • Well-suited for parallel placement
  • Quality and robustness for automotive
  • Potential for a second source supplier

Applications

  • Automotive:
    • 48V Electric Power Steering (EPS)
    • LED front lighting
    • DC-AC inverters

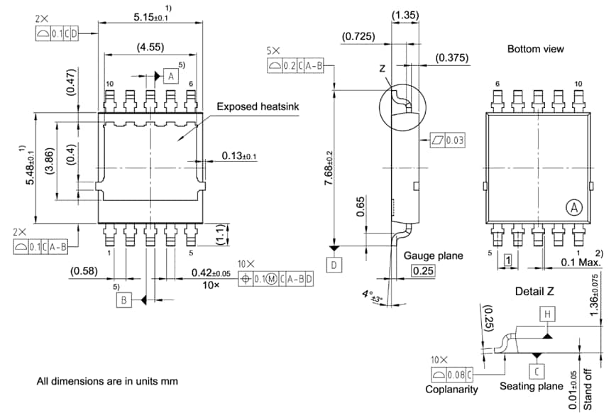
Dimensions

Mechanical Drawing - Infineon Technologies OptiMOS™ 7 80V Automotive Power MOSFETs
View Results ( 13 ) Page
Part Number Datasheet Fall Time Id - Continuous Drain Current Package/Case Pd - Power Dissipation Qg - Gate Charge Rds On - Drain-Source Resistance Rise Time Vds - Drain-Source Breakdown Voltage Vgs - Gate-Source Voltage Vgs th - Gate-Source Threshold Voltage
IAUCN08S7L024ATMA1 IAUCN08S7L024ATMA1 Datasheet 20 ns 177 A PG-TDSON-8 148 W 65.2 nC 2.4 mOhms 9 ns 80 V 16 V 2 V
IAUCN10S7L040ATMA1 IAUCN10S7L040ATMA1 Datasheet 14 ns 130 A PG-TDSON-8 118 W 44.3 nC 3.3 mOhms 5.9 ns 100 V 16 V 2 V
IAUZN08S7N046ATMA1 IAUZN08S7N046ATMA1 Datasheet 7 ns 99 A PG-TDSON-8 94 W 27.2 nC 4.6 mOhms 3.7 ns 80 V 20 V 3.2 V
IAUCN08S7L013ATMA1 IAUCN08S7L013ATMA1 Datasheet 35 ns 293 A PG-TDSON-8 219 W 120 nC 1.26 mOhms 14 ns 80 V 20 V 2 V
IAUCN08S7L018ATMA1 IAUCN08S7L018ATMA1 Datasheet 25 ns 210 A PG-TDSON-8 169 W 79.9 nC 1.8 mOhms 11 ns 80 V 20 V 2 V
IAUCN08S7L033ATMA1 IAUCN08S7L033ATMA1 Datasheet 14 ns 130 A PG-TDSON-8 118 W 44.3 nC 3.3 mOhms 5.9 ns 80 V 16 V 2 V
IAUCN08S7N016TATMA1 IAUCN08S7N016TATMA1 Datasheet 20 ns 262 A PG-LHDSO-10-3 205 W 83 nC 1.63 mOhms 18 ns 80 V 20 V 3.2 V
IAUCN08S7N019TATMA1 IAUCN08S7N019TATMA1 Datasheet 17 ns 223 A PG-LHDSO-10-2 180 W 68 nC 1.94 mOhms 16 ns 80 V 20 V 3.2 V
IAUCN08S7N024TATMA1 IAUCN08S7N024TATMA1 Datasheet 16 ns 186 A PG-LHDSO-10-1 157 W 54 nC 2.44 mOhms 16 ns 80 V 20 V 3.2 V
IAUCN08S7N045TATMA1 IAUCN08S7N045TATMA1 Datasheet 9 ns 103 A PG-LHDSO-10-1 98 W 27 nC 4.54 mOhms 9 ns 80 V 20 V 3.2 V
Published: 2025-07-23 | Updated: 2025-08-19