Infineon Technologies TLD5099EP_VSPC Voltage mode SEPIC Evaluation Board

Infineon Technologies TLD5099EP_VSPC Voltage mode SEPIC Evaluation Board is designed to evaluate the TLD5099EP controller configured in the voltage-mode SEPIC topology for medium power applications. This evaluation board delivers up to 12W to the load with above 85% efficiency. The SWCS pin connected to the current-mode shunt acts as a rough limiter, limiting the short-to-ground current to about 3.6A. This evaluation board can be implemented as a DC-DC power supply with a constant voltage output. Typical applications include automotive and lighting.

Features

  • Evaluate the TLD5099EP configured in the voltage-mode SEPIC topology
  • DC-DC power supply with constant voltage output
  • Short-to-ground current is limited to 3.6A by the SWCS pin connected to the current-mode shunt
  • Delivers up to 12W to the load with above 85% efficiency
  • 8V to 27V supply voltage range
  • 12V output voltage

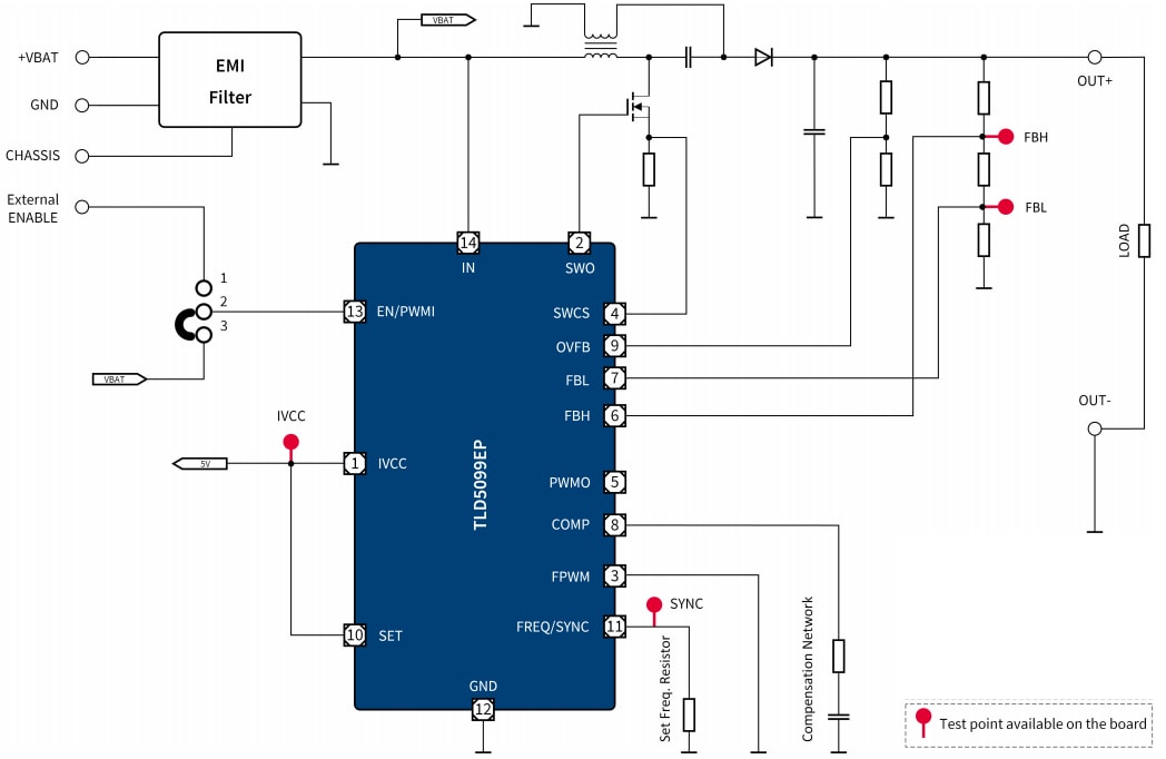
Simplified Schematic

Schematic - Infineon Technologies TLD5099EP_VSPC Voltage mode SEPIC Evaluation Board

Performance Graph

Performance Graph - Infineon Technologies TLD5099EP_VSPC Voltage mode SEPIC Evaluation Board
Published: 2020-08-10 | Updated: 2024-11-15