Infineon Technologies TLE9201SG 6A H-Bridge with SPI

Infineon Technologies TLE9201SG 6A H-Bridge with SPI is designed for (but not limited to) the control of DC motors or other inductive loads in automotive applications. The IFX9201SG is also optimized for non-automotive applications like industrial applications, home appliance, building automation, power tools battery management and medical applications. The outputs can be pulse width modulated at frequencies up to 20kHz. PWM/DIR control reduces the number of PWM capable pins needed on the microcontroller side.

For load currents above the current limitation threshold (8A typ.) the H-Bridge goes into chopper current limitation mode. It's protected against short circuits and overtemperature and provides extensive diagnosis via SPI or basic error feedback via error flag. Open load can be detected when the bridge is disabled or during PWM operation of inductive loads.

The robust PG-DSO-12-17 package provides excellent thermal capabilities due to the thick copper heat slug. Thanks to the protruding edges of the heat slug the package is well suited for automatic optical solder inspection.

Features

  • RDSon of 100mΩ per switch typ. at Tj=25°C
  • Logic inputs 3.3V and 5V TTL/CMOS-compatible
  • Low standby current
  • Chopper current limitation
  • Short circuit shut down with latch behavior
  • Overtemperature shut down with latch behavior
  • VS undervoltage shutdown
  • Open load detection in ON and OFF state
  • Detailed SPI diagnosis or simple error flag
  • Green product (RoHS compliant)

Applications

  • Automotive applications
  • Industrial applications
  • Home appliance
  • Building automation
  • Power tools battery management
  • Medical applications

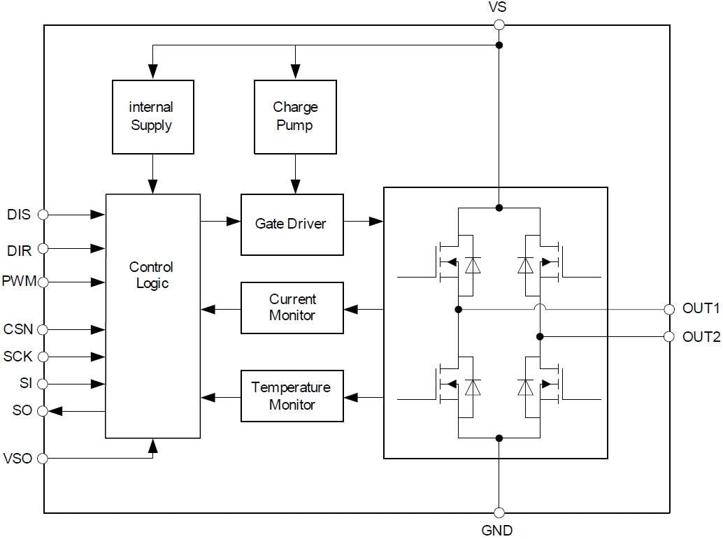
Block Diagram

Block Diagram - Infineon Technologies TLE9201SG 6A H-Bridge with SPI
Published: 2015-10-06 | Updated: 2024-12-10