Littelfuse SB5000 Industrial Shock Block

Littelfuse SB5000 Industrial Shock Block is designed for three-phase voltages from 208V to 600V with a maximum full-load current of either 32A or 60A. The power system can be either solidly or high-resistance grounded and the load must be three-phase without a neutral. The standard enclosure for Littelfuse SB5000 Industrial Shock Block is IP69K/NEMA 4X and outdoor rated, suitable for all industrial environments including high-temperature washdown used in food production. This personnel protection device is designed to meet the requirements for special-purpose GFCIs defined by UL 943C. SB5000 Industrial Shock Block includes DFT harmonic filtering and an automatic self-test feature. SB5000 is compliant with the UL 1998 Software in Programmable Components standard.

Features

  • UL 943 inverse time trip curve protects users while also reducing the probability of nuisance tripping
  • DFT filtering algorithm eliminates nuisance trips due to harmonics
  • <20ms minimum trip time
  • Fixed 6mA (UL 943) or 20mA (UL 943C) trip level
  • Selectable trip levels (EGFPD)
  • Two-stage ground monitor with Zener termination that meets UL 943C, CSA M421
  • Flexible configuration
  • Conformal coating
  • Auxiliary contact
  • Automatic self-test
  • GFCI Class A, C, D, and EGFPD options in one series

Specifications

  • 208V, 480V, or 600V voltage rating
  • 32A or 60A (continuous) current rating
  • Three-phase, 3-wire (no neutral), 60Hz system type
  • 10,000A short-circuit current rating (extendable to 50,000A)
  • Trip level settings
    • Fixed at 6mA (Class A models)
    • Fixed at 20mA (Class C/D models)
    • Selectable 6mA, 10mA, 20mA, 30mA, 40mA, 50mA, 60mA, 70mA, 80mA, 90mA, or 100mA (EGFPD models)
  • Inverse time curve trip time setting, according to UL 943
  • Selectable short or Zener termination, fail-safe, and CSA M421 compliant
  • IP69K and NEMA 4X (outdoor) lockable polycarbonate enclosure
  • -35°C to +40°C, up to +60°C with derating
  • Approvals
    • UL Listed Class A GFCI (UL 943)
    • UL Listed Class C, D SPGFCI (UL 943C)
    • cULus Listed EGFPD (UL 943/UL 1053)
    • UL 1998

Videos

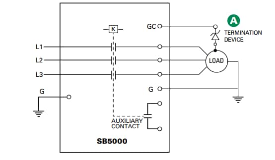
Simplified Circuit Diagram

Schematic - Littelfuse SB5000 Industrial Shock Block

Connection Diagram

Application Circuit Diagram - Littelfuse SB5000 Industrial Shock Block
Published: 2022-05-18 | Updated: 2024-02-09