MACOM MAMF-011069 Dual-Channel LNA Module

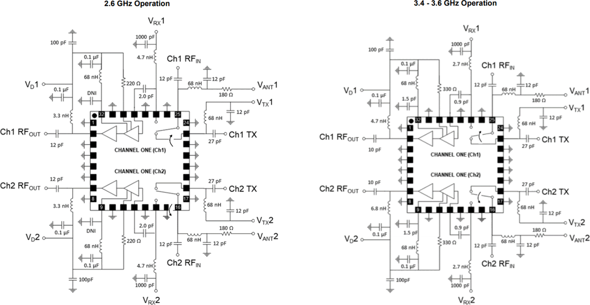
MACOM MAMF-011069 Dual-Channel LNA Module integrates two 2-stage low noise amplifiers and two high power switches into a single, compact 5mm2 QFN package. The MAMF-011069 Module operates from 1.8GHz to 3.9GHz. This device features high gain, a very low noise figure in the receive mode, and low insertion loss in the transmission mode. The PIN switches handle high power over a 20W continuous waveform (CW) signal. External SMT components optimize the matching and enable a flexible frequency of operation. The MAMF-011069 Module is ideally suited for 4G, next-generation 5G Massive MIMO, or Small Cell Base Transceiver Stations (BTS). 

Features

  • 1.8GHz to 3.9GHz frequency range
  • Dual-channel architecture
    • Two low-noise amplifiers
    • Two high-power switches
  • Gain (Rx mode)
    • 33dB at 2.6GHz
    • 34dB at 3.5GHz
  • Noise figure (Rx mode)
    • 1.2dB at 2.6GHz
    • 1.5dB at 3.5GHz
  • 255mA bias current
  • 5V bias voltage
  • 20W CW PIN switch power handling
  • 0.5dB insertion loss (Tx mode)
  • Integrated ESD protection
  • -40°C to +105°C operating temperature range
  • QFN-32 package type
  • 5mm x 5mm package dimensions
  • Halogen-free "Green" mold compound

Applications

  • 5G wireless infrastructure
  • Base transceiver stations

Videos

Application Schematics

Application Circuit Diagram - MACOM MAMF-011069 Dual-Channel LNA Module

Package Outline

Mechanical Drawing - MACOM MAMF-011069 Dual-Channel LNA Module
Published: 2019-12-19 | Updated: 2023-09-05