Microchip Technology MCP1641x Low IQ Boost Converters

Microchip Technology MCP1641x Low IQ Boost Converters provide an automatic input-to-output voltage bypass operation. This feature optimizes battery utilization and achieves high efficiency while fresh batteries’ nominal voltage is in the same range as the converter’s output value. Microchip MCP1641x Low IQ Boost Converters can be powered by single-cell, two-cell alkaline/NiMH batteries or single-cell Li-Ion/Li-Polymer batteries. A low-voltage architecture allows the regulator to start up without a high inrush current or output voltage overshoot from a low input voltage. The start-up voltage is easily programmed by a resistive divider connected to the UVLO pin. If the resistive divider is not used, the default start-up voltage will be 0.85V. The 0.8V built-in UVLOSTOP helps prevent deep discharge of the alkaline battery, which may cause battery leakage. An open-drain Low Battery Output (LBO) pin will warn the user to replace the battery if the input voltage ramps down to the programmed UVLOSTART value.

The MCP1641x family from Microchip Technology introduces an additional safety feature to a low-voltage boost converter: overtemperature output. Various applications will benefit from combined Power Good and Die Overtemperature (PGT) output, which typically flags a warning signal when the output voltage level drops by 10% or the die temperature exceeds +75°C. Both functions are implemented in the MCP16411/2/3/4 devices (on the same pin, PGT), while the MCP16415/6/7/8 devices have the Power Good only option.

Features

  • 0.8V (after Start-up) to 5.25V input voltage range
  • Low device quiescent current
    • 5µA typical, PFM mode (not switching)
  • Up to 96% efficiency
  • 1A typical inductor peak current limit
    • IOUT > 170mA at 2V VOUT, 1.2V VIN
    • IOUT > 200mA at 3.3V VOUT, 1.5V VIN
    • IOUT > 600mA at 5.0V VOUT, 3.6V VIN
  • Adjustable output voltage range
  • Automatic input-to-output bypass operation
  • 2.3µA typical shutdown current
  • Selectable switching mode
    • 500kHz PWM operation (MCP16412/4/6/8)
    • Automatic PFM/PWM operation (MCP16411/3/5/7)
  • Programmable under-voltage lockout (UVLO)
  • Programmable low battery output (LBO)
  • Selectable status indicator
    • Power Good and die overtemperature output (MCP16411/2/3/4)
    • Power Good output (MCP16415/6/7/8)
  • Internal synchronous rectifier
  • Internal compensation
  • Inrush current limiting and internal soft-start
  • Low noise, anti-ringing control
  • Thermal shutdown
  • Selectable shutdown states
    • Output discharge option (MCP16411/2/5/6)
    • Input-to-output bypass option (MCP16413/4/7/8)
  • Available packages
    • 10-lead MSOP
    • 10-lead 3mm x 3mm TDFN

Applications

  • Personal and health care products
  • Single-cell or two-cell powered Internet of Things (IoT) devices
  • BLUETOOTH® headsets
  • Remote controllers, portable instruments
  • Wireless sensors, data loggers

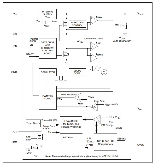
Functional Block Diagram

Block Diagram - Microchip Technology MCP1641x Low IQ Boost Converters
Published: 2020-10-29 | Updated: 2024-08-08