Microchip Technology MCP73831/2 Charge Management Controllers
Microchip MCP73831/2 Charge Management Controllers have high accuracy and are for use in space-limited, cost-sensitive applications. The MCP73831/2 are housed in 8-Lead, 2x3mm DFN packages or 5-lead, SOT-23 packages. The MCP73831/2 is ideally suited for portable applications with a low number of external components required. The controllers adhere to all the specifications governing the USB power bus for applications charging from a USB port.Features
- Linear Charge Management Controller
- Integrated Pass Transistor
- Integrated Current Sense
- Reverse Discharge Protection
- High Accuracy Preset Voltage Regulation + 0.75%
- Four Voltage Regulation Options
- 4.20V, 4.35V, 4.40V, 4.50V
- Programmable Charge Current 15mA to 500mA
- Selectable Preconditioning
- 10%, 20%, 40%, or Disable
- Selectable End-of-Charge Control
- 5%, 7.5%, 10%, or 20%
- Charge Status Output
- Tri-State Output - MCP73831
- Open-Drain Output - MCP73832
- Automatic Power-Down
- Thermal Regulation
- Temperature Range -40°C to +85°C
- Packaging
- 8-Lead, 2x3mm DFN
- 5-Lead, SOT-23
Applications
- Lithium-Ion/Lithium-Polymer Battery Chargers
- Personal Data Assistants
- Cellular Telephones
- Digital Cameras
- MP3 Players
- BLUETOOTH® Headsets
- USB Chargers
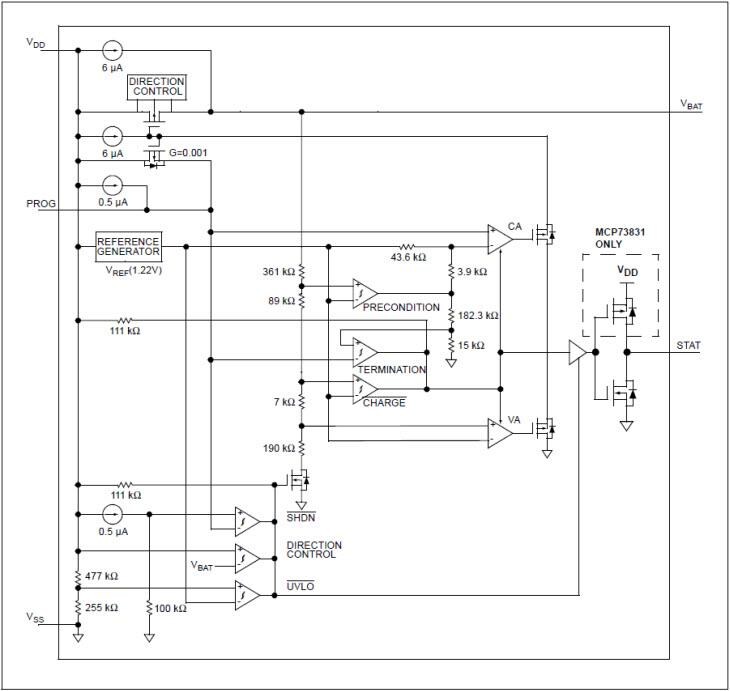
Block Diagram
Published: 2016-08-15
| Updated: 2023-08-03
