Monolithic Power Systems (MPS) EV2174C-G-00A Evaluation Board

Monolithic Power Systems (MPS) EV2174C-G-00A Evaluation Board evaluates MP2174C low voltage high switching frequency step-down switch-mode converters with built-in power MOSFETs. This evaluation board features forced PWM mode operation, short circuit protection with hiccup mode, and auto discharge at power off. The EV2174C-G-00A evaluation board operates at a 2.7V to 5.5V input voltage range and a -40°C to +125°C temperature range. This evaluation board provides a 4A output current and 0.6V minimum output voltage. MPS EV2174C-G-00A Evaluation Board is ideal for storage drives, PDAs, DVD drives, wireless/networking cards, portable/handheld devices, and low voltage I/O system power.

Features

  • Forced PWM mode operation
  • 100% duty cycle in dropout
  • EN and power good for power sequencing
  • Auto discharge at power-off
  • Short circuit protection with hiccup mode

Applications

  • Storage drives
  • Portable instruments
  • DVD drives
  • Low voltage I/O system power
  • Small handheld devices
  • PDAs

Specifications

  • 2.7V to 5.5V operating input voltage range
  • -40°C to +125°C operating temperature range
  • 4A output current
  • 1.1MHz frequency
  • 0.5ms internal soft-start time

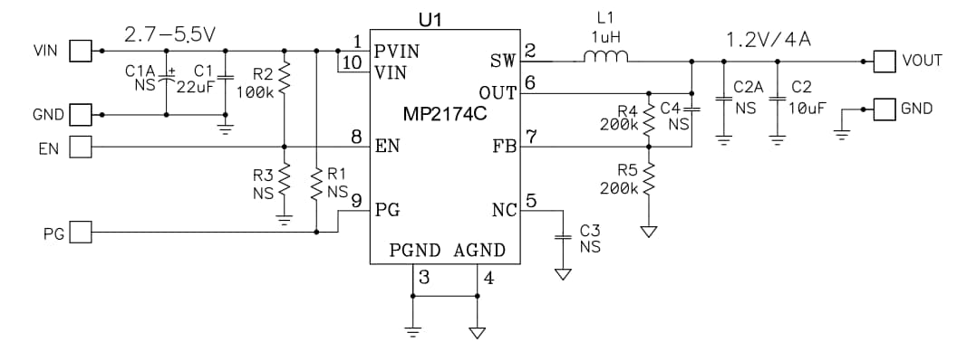
Schematic Diagram

Schematic - Monolithic Power Systems (MPS) EV2174C-G-00A Evaluation Board
Published: 2020-03-12 | Updated: 2024-10-17