Monolithic Power Systems (MPS) EVL5475-U-00B Evaluation Board

Monolithic Power Systems (MPS) EVL5475-U-00B Evaluation Board is designed to demonstrate the capabilities of the MP5475, a complete Power Management IC (PMIC). This evaluation board features a 3V to 16V input voltage range, 6A single-phase maximum output current, and 12A dual-phase maximum output current. The protection functions include Under-Voltage Lock-Out (UVLO), Over-Current Protection (OCP), Under-Voltage Protection (UVP), and thermal shutdown. The EVL5475-U-00B evaluation board is ideal for storage and networking, enterprise Solid-State Drives (SSDs), and general enterprise.

Features

  • Wide 3V to 16V input voltage range
  • Adaptive Constant-On-Time (COT) control for ultra-fast transient response
  • 6A single-phase maximum output current
  • 12A dual-phase maximum output current
  • 87.5% single-phase full load efficiency
  • 88% single-phase peak efficiency
  • 86.5% dual-phase full load efficiency
  • 88% dual-phase peak efficiency

Applications

  • Storage and networking
  • Enterprise Solid-State Drives (SSDs)
  • General enterprise

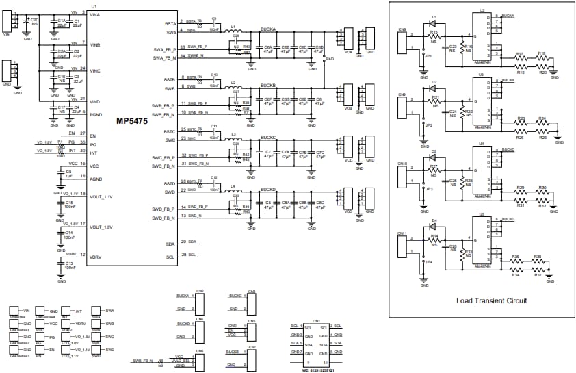
Schematic Diagram

Schematic - Monolithic Power Systems (MPS) EVL5475-U-00B Evaluation Board
Published: 2024-10-29 | Updated: 2024-11-14