Monolithic Power Systems (MPS) MP2161 Synchronous Step Down Switchers
Monolithic Power Systems (MPS) MP2161 Synchronous Step Down Switchers are monolithic switch-mode converters with built-in internal power MOSFETs in a TSOT23-8 package. The MP2161 features 2A continuous output current from a 2.5V to 6V input voltage with excellent load and line regulation. The MP2161 allows a regulated output voltage as low as 0.6V.The MPS MP2161 Synchronous Step Down Switchers offer a Constant-On-Time control scheme achieving a fast transient response and eases loop stabilization. Fault condition protection includes cycle-by-cycle current limiting and thermal shutdown.
The MP2161 is housed in the small TSOT23-8 package and requires a minimum number of readily available standard external components. The MP2161 is suitable for many applications, including high-performance DSPs, FPGAs, PDAs, and portable instruments.
Features
- Very low 17μA IQ
- Default 1.5MHz switching frequency
- EN and Power Good for power sequencing
- Wide 2.5V to 6V operating input range output adjustable from 0.6V
- Up to 2A output current
- 100% duty cycle in dropout
- 100mΩ and 60mΩ internal power MOSFET switches
- Cycle-by-cycle over current protection
- Short circuit protect with hiccup mode
- Stable with low ESR output ceramic capacitors
- Available in a TSOT23-8 package
Applications
- Wireless/networking cards
- Portable instruments
- Battery-powered devices
- Low voltage I/O system power
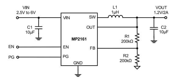
Typical Application
Videos
Published: 2021-12-22
| Updated: 2022-03-11
