Monolithic Power Systems (MPS) MP3383 Step-Up WLED Controllers

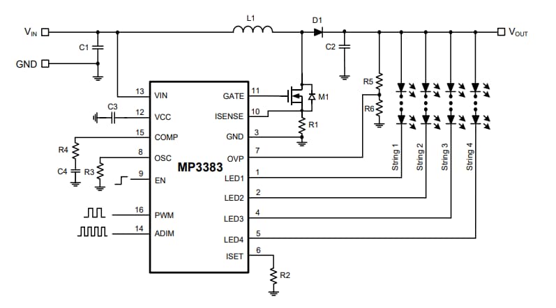
Monolithic Power Systems (MPS) MP3383 Step-Up WLED Controllers include four LED current channels. These controllers can expand the number of LED channels with two or more ICs in parallel sharing a single power source. The MP3383 WLED controllers employ peak current control mode with a fixed Switching Frequency (fSW) that is configurable through an external setting resistor. These controllers drive an external MOSFET to boost up the output voltage from a 6V to 33V input voltage (VIN) supply range.

The MP3383 WLED controllers feature a 4-string, maximum 400mA/string WLED driver, 80V absolute maximum rating for each string, 3% current accuracy, and LED open and short protection. These controllers also feature configurable recoverable Over-Voltage Protection (OVP), Over-Temperature Protection (OTP), and short inductor and diode protection. The MP3383 WLED controllers support direct Pulse Width
Modulation (PWM) dimming and analog dimming using a PWM input. These controllers are designed to drive WLED arrays for large LCD panel backlighting applications. Typical applications include desktop LCD flat-panel displays, all-in-one PCs, and 2D and 3D LCD TVs.

Features

  • 4-string, maximum 400mA/string WLED driver
  • Configurable recoverable Over-Voltage Protection (OVP)
  • Over-Temperature Protection (OTP)
  • Short inductor and diode protection
  • LED open and short protection
  • Direct Pulse Width Modulation (PWM) dimming
  • Analog dimming using a PWM input
  • Short inductor and diode protection
  • Available in SOIC-16 and TSSOP-16EP packages

Specifications

  • 6V to 33V input voltage (VIN) range
  • 12V gate voltage (VGATE) (VIN > 13V)
  • 3% current accuracy
  • 80V absolute maximum rating for each string
  • 1.8% current matching accuracy between each string

Applications

  • Desktop LCD flat-panel displays
  • All-in-one PCs
  • 2D and 3D LCD TVs

Functional Block Diagram

Block Diagram - Monolithic Power Systems (MPS) MP3383 Step-Up WLED Controllers

Application Circuit Diagram

Application Circuit Diagram - Monolithic Power Systems (MPS) MP3383 Step-Up WLED Controllers
Published: 2023-03-10 | Updated: 2024-10-29