Murata Power Solutions NCS12 Isolated 12W 4:1 Input DC/DC Converters

Murata Power Solutions NCS12 Isolated 12W 4:1 Input DC/DC Converters offer single and dual output voltages from input voltage ranges of 9V to 36V and 18V to 75V. NCS12 devices are housed in an industry-standard package with a standard pinout and are packaged in a metal case for improved EMI shielding. These Murata Power Solutions DC/DC converters are also encapsulated for superior thermal performance. Applications include telecommunications, battery-powered systems, process control, and distributed power systems.

Features

  • UL 60950 recognition pending
  • 4:1 wide range voltage input
  • Operating temperature range of -40°C to +85°C
  • Typical load regulation from 0.05%
  • 1.5kVDC isolation
  • 3.3V, 5V, 12V, and 15V outputs
  • UL 94V-0 package materials
  • No electrolytic capacitors
  • Thermal shutdown
  • Undervoltage lock out
  • Current fold back

Applications

  • Telecommunications
  • Battery powered systems
  • Process control
  • Distributed power systems

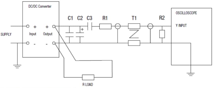
Differential Mode Noise Test Schematic

Murata Power Solutions NCS12 Isolated 12W 4:1 Input DC/DC Converters
Published: 2013-10-22 | Updated: 2022-03-11