Nexperia SOT8015 Surface-Mounted Package Products

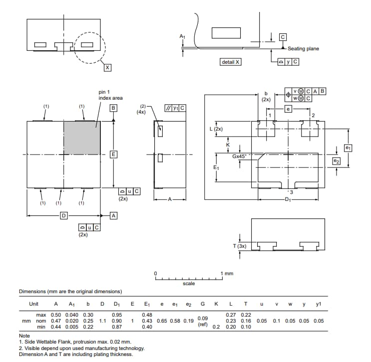
Nexperia SOT8015 Surface-Mounted Package Products offer a plastic, leadless, extremely thin small outline package with side-wettable flanks (SWF). The SOT8015 provides three terminals, a 0.65mm pitch and a 1.1mm x 1mm x 0.48mm body. The SOT8015 package has a package style descriptive code of HUSON (thermal enhanced ultra thin small outline, no leads) and a 1.4mm x 1.8mm footprint. The Nexperia SOT8015 devices have a 2.52mm2 footprint area.

Features

  • B (bottom) Terminal position code
  • HUSON3 Package type descriptive code
  • DFN1110D-3 Package type industry code
  • HUSON (thermal enhanced ultra thin small outline, no leads) package style descriptive code
  • P (plastic) Package body material type
  • MO-340BA JEDEC package outline code
  • S (surface mount) Mounting method type
  • No package outline detail graphic references
  • 29-11-2019 Issue date
  • SOT8015 Manufacturer package code
  • 1.4mm x 1.8mm Footprint dimensions
  • 2.52mm2 Footprint area

Package Summary

Chart - Nexperia SOT8015 Surface-Mounted Package Products

Videos

Package Outline

Nexperia SOT8015 Surface-Mounted Package Products
Published: 2022-07-22 | Updated: 2025-10-23