Nisshinbo R5651T Battery Protection IC
Nisshinbo R5651T Battery Protection IC is an overcharge and discharge protection IC for 3-to 5- series cell Li-ion and Li-polymer rechargeable battery packs. The R5651T includes short-circuit and protection circuits for charge and discharge overcurrent. The number of cells supported by the R5651 is selected by adjusting the voltage on the SEL pin. An integrated NTC thermister provides temperature protection.The Nisshinbo R5651T Battery Protection IC is available in a compact TSSOP-24 package with a -40°C to +125°C junction temperature range.
Features
- 4.0V to 25.0V operating input voltage (30V maximum)
- Support for 3 to 5 cells
- 13.0µA supply current
- 6.0µA standby current
- 3.6V to 4.5V overcharge detection voltage in 0.005V steps
- ±25mV overcharge detection voltage accuracy
- 1.0s overcharge detection delay time
- 2.0V to 3.2V over-discharge detection voltage in 0.005V steps
- ±50mV over-discharge detection voltage accuracy
- Over-discharge detection delay time set by an external capacitor
- Discharge overcurrent detection voltage
- VDET3-1: 0.01V to 0.15V in 0.005V steps
- VDET3-2: 0.03V to 0.45V in 0.005V steps
- Discharge overcurrent detection voltage accuracy
- VDET3-1: ±3mV (0.01V to 0.03V), ±10% (0.035V to 0.15V)
- VDET3-2: ±8mV (0.03V to 0.08V), ±10% (0.09V to 0.345V)
- Discharge overcurrent detection delay time
- VDET3-1: Set by external capacitor
- VDET3-2: tVDET3-1 x 1/10, tVDET3-1 x 1/20
- -0.050V to -0.008V charge overcurrent detection voltage in 0.005V steps
- Charge overcurrent detection voltage accuracy
- ±10% (-0.050V to -0.030V)
- ±3mV (-0.030V to -0.008V)
- 512ms, 1024ms, and 2560ms charge overcurrent detection delay time
- 0.1V to 0.6V short detection time in 0.02V steps
- ±30% short detection voltage accuracy
- 330µs short detection delay time
- Conditions for overcharge restoration: Auto release
- Conditions for over-discharge restoration: Auto release
- 0V battery charging inhibition voltage: 1.1V, 1.3V, ±0.2V accuracy
- Temperature protection by NTC thermistor
- Charge High setting: +45°C, +50°C, +55°C, +60°C, ±3°C
- Charge Low setting: -5°C, -3°C, 0°C, ±3°C
- Discharge High setting: +65°C, +70°C, +75°C, ±3℃
- -40°C to +125°C junction temperature range
- 7.8mm x 6.4mm x 0.9mm TSSOP-24
Applications
- Scooters and e-bikes
- Robot vacuum cleaners
- Portable electronics
- Heat insulation boxes
- Power tools
Typical Application Circuit
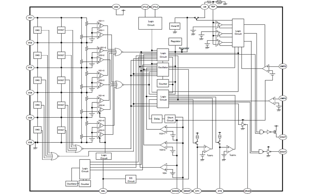
Block Diagram
Published: 2022-03-23
| Updated: 2022-07-13
