onsemi BCP53M PNP Medium Power Transistor
onsemi BCP53M PNP Medium Power Transistor is an 80V, 1A device designed for general-purpose amplifier applications. This transistor is housed in a wettable flank DFN2020-3 package for optimal Automated Optical Inspection (AOI) and has superior thermal performance. The BCP53M medium power transistor operates at -65°C to 150°C junction and storage temperature range. This PNP transistor is AEC-Q101 qualified, PPAP capable, Pb-free, halogen-free/BFR free, and RoHS compliant. The BCP53M medium power transistor is ideal for general-purpose switching and amplification and automotive ECUs.Features
- Wettable flank package for optimal Automated Optical Inspection (AOI)
- NSV prefix for automotive and other applications requiring unique site and control change requirements
- -65°C to 150°C operating junction and storage temperature range
- AEC-Q101 qualified and PPAP capable
- Pb-free, halogen-free/BFR-free, and RoHS compliant
Applications
- General purpose switching and amplification
- Automotive ECUs
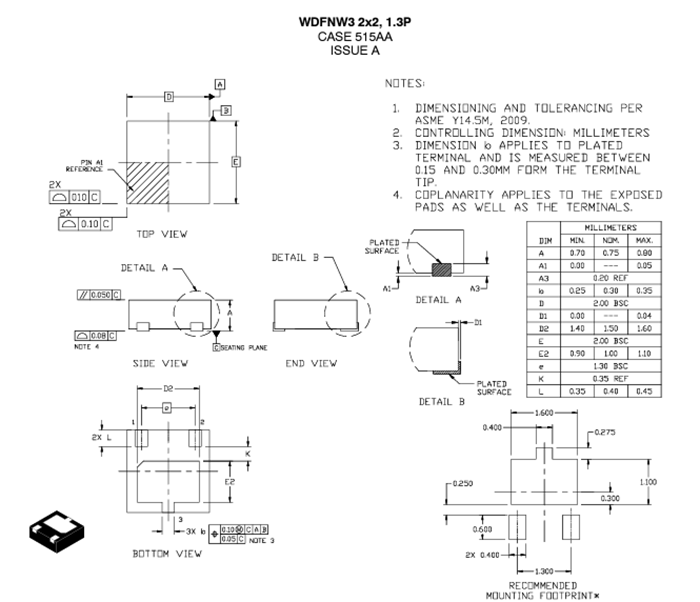
Package Dimensions
Published: 2024-09-11
| Updated: 2024-10-18
