onsemi MM3Z Zener Diode

onsemi MM3Z Zener Diode is a 200mW, 47V nominal zener voltage device offered in a SOD-323 surface mount package. This Zener diode is designed to provide voltage regulation protection and is used in situations where space is at a premium. The MM3Z zener diode operates at -65°C to 150°C junction and storage temperature range. This zener diode is suited for applications such as cellular phones, hand-held portables, and high-density PC boards.

Features

  • 2.4V to 75V standard zener breakdown voltage range
  • Steady-state power rating of 200mW
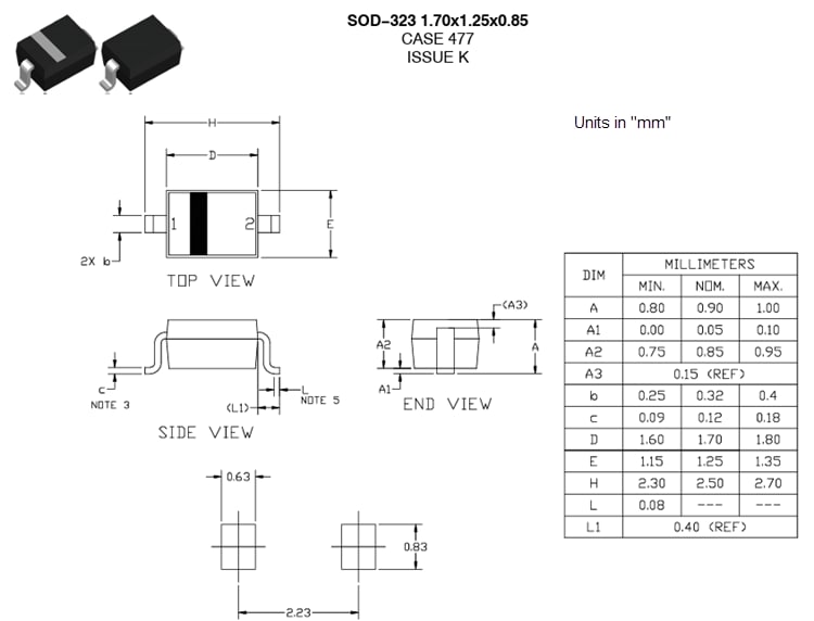
  • 0.067" x 0.049" (1.7mm x 1.25mm) small body outline dimensions
  • 0.035" (0.9mm) low body height
  • Very small and thin SMD package
  • 4.507mg/unit package weight
  • UL 94V-0 flammability rating
  • ESD rating of class 3 (>16kV) per human body model
  • Pb-free devices

Applications

  • Cellular phones
  • Hand-held portables
  • High-density PC boards

Dimension Drawing

Mechanical Drawing - onsemi MM3Z Zener Diode
Published: 2025-01-30 | Updated: 2025-02-05