onsemi NTTFS6H850NL Single N-Channel Power MOSFET
onsemi NTTFS6H850NL Single N-Channel Power MOSFET offers a low drain-to-source ON-Resistance and low capacitance to minimize driver losses. The NTTFS6H850NL MOSFET features a small 3.3mm x 3.3mm footprint for compact and efficient designs and is Pb-free and RoHS compliant.Features
- 80V drain-to-source voltage (VDSS)
- ±20V gate-to-source Voltage (VGS)
- Drain-to-source ON-resistance RDS(on)
- 8.6mΩ @ 10.0V
- 11.0mΩ @ 4.5V
- 64A continuous drain current (ID)
- -55°C to +175°C operating/junction/storage temperature range (TJ, Tstg)
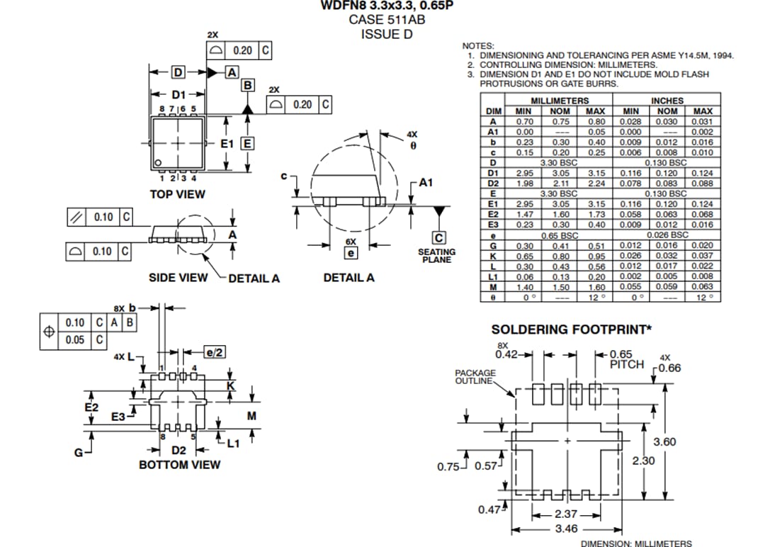
- WDFN-8 package type
- Pb-free and RoHS compliant
Applications
- Reverser battery protection
- Power switches (high-side driver, low-side driver, H-bridges)
- Synchronous rectification
- Motor control
Package Dimensions
Published: 2019-09-06
| Updated: 2024-02-08
