onsemi NXH0x0F120MNF1 SiC MOSFETs

onsemi NXH0x0F120MNF1 SiC MOSFETs are power modules containing a full bridge and a thermistor in an F1 package. These MOSFETs feature thermistors and press-fit pins. The NXH0x0F120MNF1 modules provide both pre-applied Thermal Interface Material (TIM) and without pre-applied TIM options. These modules are ideally used in solar inverters, uninterruptible power supplies, electric vehicle charging stations, and industrial power. The NXH0x0F120MNF1 modules are Pb-Free, halide free, and are RoHS compliant. These modules come with -40°C to 150°C in the storage temperature range and -40°C to 175°C operating junction temperature range. 

Features

  • 40m/1200V SiC MOSFET half-bridge (NXH040F120MNF1)
  • 20m/1200V SiC MOSFET half-bridge (NXH020F120MNF1)
  • Thermistor
  • Press-fit pins
  • Options with pre-applied Thermal Interface Material (TIM) and without pre-applied TIM
  • These devices are Pb−Free, halide free, and are RoHS compliant

Specifications

  • -40°C to 150°C of the storage temperature range
  • -40°C of minimum operating junction temperature
  • 175°C of maximum operating junction temperature
  • -40°C to 175°C of module operating junction temperature

Applications

  • Solar inverter
  • Uninterruptible power supplies
  • Electric vehicle charging stations
  • Industrial power

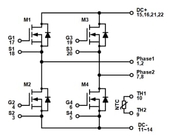
Schematic Diagram

Schematic - onsemi NXH0x0F120MNF1 SiC MOSFETs
View Results ( 6 ) Page
Part Number Mfr Name Description Datasheet
NXH007F120M3F2PTHG onsemi MOSFET Modules 7M 1200V 40A M3S SIC FULL BRIDGE MODULE NXH007F120M3F2PTHG Datasheet
NXH011F120M3F2PTHG onsemi MOSFET Modules 11M 1200V 40A M3S SIC FULL BRIDGE MODULE NXH011F120M3F2PTHG Datasheet
NXH040F120MNF1PTG onsemi MOSFET Modules PIM F1 SIC FULL BRIDGE 1200V 40MOHM NXH040F120MNF1PTG Datasheet
NXH020F120MNF1PTG onsemi MOSFET Modules PIM F1 SIC FULL BRIDGE 1200V 20MOHM NXH020F120MNF1PTG Datasheet
NXH020F120MNF1PG onsemi MOSFET Modules PIM F1 SIC FULL BRIDGE 1200V 20MOHM NXH020F120MNF1PG Datasheet
NXH040F120MNF1PG onsemi MOSFET Modules PIM F1 SIC FULL BRIDGE 1200V 40MOHM NXH040F120MNF1PG Datasheet
Published: 2022-04-07 | Updated: 2024-06-18