Power Integrations RDK-838 Reference Design Kit
Power Integrations RDK-838 Reference Design Kit facilitates the evaluation of the InnoSwitch™3-PD ICs. The InnoSwitch3-PD ICs simplify the development and manufacturing of USB-PD power supplies. The RDK-838 Reference Design Kit features a 60W USB PD 3.0 Power Supply with 3.3V to 21V PPS output using the InnoSwitch3-PD PowiGaN.Features
- InnoSwitch3-PD digitally controllable CV/CC QR flyback switcher IC with integrated high voltage switch, USB PD controller, synchronous rectification, and FluxLink™ feedback
- Sophisticated telemetry and comprehensive protection features
- All the benefits of secondary-side control with the simplicity of primary-side regulation
- Insensitive to transformer variation
- Meets DOE6 and CoC v5 2016 average efficiency requirements with high margin (>2.0%)
- 5V Output: 87.88% at 115VAC (6.48% margin); 86.94% at 230VAC (5.14% margin)
- 9V Output: 90.04% at 115VAC (3.44% margin); 89.99% at 230VAC (2.69% margin)
- 15V Output: 90.79% at 115VAC (3.09% margin); 91.38% at 230VAC (2.48% margin)
- 20V Output: 90.92% at 115VAC (2.92% margin); 91.72% at 230VAC (2.72% margin)
- Micro stepping of voltages (20mV) and CC thresholds (50mA) in compliance with PPS protocol
- Output overvoltage and overcurrent protection
- Integrated thermal protection
- <35mW no-load input power at 230VAC
- Meets CISPR22 / EN55022 Class B Conducted EMI standard
- Low component count, high power density
- 61 Total part count
- Power density of 15.7W/inch3 without enclosure (2.24" x 2.24" x 0.76" form factor)
Additional Resources
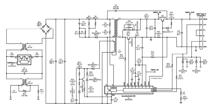
Schematic
PCB Layout
Published: 2021-11-29
| Updated: 2023-03-31
