Qorvo CMD264P3 6GHz to 18GHz Low Noise Amplifier

Qorvo CMD264P3 6GHz to 18GHz Low Noise Amplifier is a broadband MMIC housed in a leadless 3mm x 3mm plastic surface mount package. The CMD264P3 is ideal for communications systems with a small size and low power consumption. The Qorvo broadband device delivers greater than 26dB of gain with a corresponding output 1dB compression point of +12dBm and a noise figure of 1.6dB at 10GHz. The CMD264P3 is a 50Ω matched design eliminating the need for external DC blocks and RF port matching.

Features

  • Ultra-low noise figure
  • High-gain broadband performance
  • +3.0V at 63mA single supply voltage
  • Pb-free, RoHs-compliant
  • 3mm x 3mm QFN package

Applications

  • Radar
    • C Band
    • X Band
    • Ku Band
  • Electronic warfare (EW)
  • Space
  • Satellite communications (Satcom)
  • Phased arrays

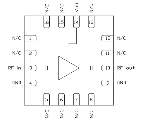
Block Diagram

Block Diagram - Qorvo CMD264P3 6GHz to 18GHz Low Noise Amplifier
Published: 2020-03-24 | Updated: 2024-08-21