Qorvo PAC22140 Smart BMS with 32kB Flash & 8kB SRAM
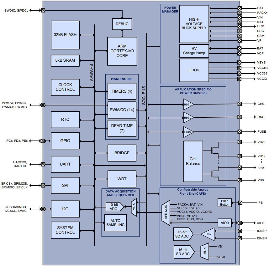
Qorvo PAC22140 Smart Battery Monitoring System (BMS) with 32kB Flash and 8kB SRAM monitors 10-series to 20-series Li-ion, Li-polymer, and LiFePO4 battery packs. The PAC22140 integrates a fully programmable 50MHz 32-bit Arm® Cortex® M0 microcontroller and includes cell balancing, monitoring, and protection for the battery packs. The module provides access to multiple analog and digital peripherals required to manage high-cell-count battery packs. These include a programmable-gain differential amplifier, a 10-bit SAR ADC, and multiple 16-bit Sigma-Delta ADCs for current and voltage sensing. A single-supply 145V buck DC/DC controller generates a 5V system rail to power the PAC22140, and an integrated charge pump supports the charge and discharge FET drivers.Qorvo PAC22140 Smart BMS comes in a 9mm x 9mm, 60-pin QFN package for compact battery-monitoring applications, such as E-transportation, garden tools, power tools, and broad industrial battery management. Supported serial interfaces include UART/SPI and I2C/SMBus.
Features
- Fully programmable 50MHz Arm Cortex M0 with 32kB flash
- 10s to 20s cell monitoring and balancing
- 19V to 145V input buck DC/DC
- High voltage charge pump for gate drive
- 5V/225mA regulator
- CHG/DSG FET driver
- 20s cell balancing FETs (50mA)
- 16-bit SD ADC for current sense with differential PGA
- 16-bit SD ADC for voltage sense, cell balance
- 10-bit SAR ADC for voltage/temp sense
- Programmable 2-level OCP
- 9mm x 9mm, 60-pin QFN package with power pad
- -40°C to +105°C ambient temperature range (TA)
Applications
- Garden tools
- Power tools
- E-transportation
- Broad industrial battery management
Videos
Functional Block Diagram
Published: 2023-03-10
| Updated: 2025-08-12
