Qorvo QPA2210D & QPA2211D 27-31GHz GaN Power Amplifiers
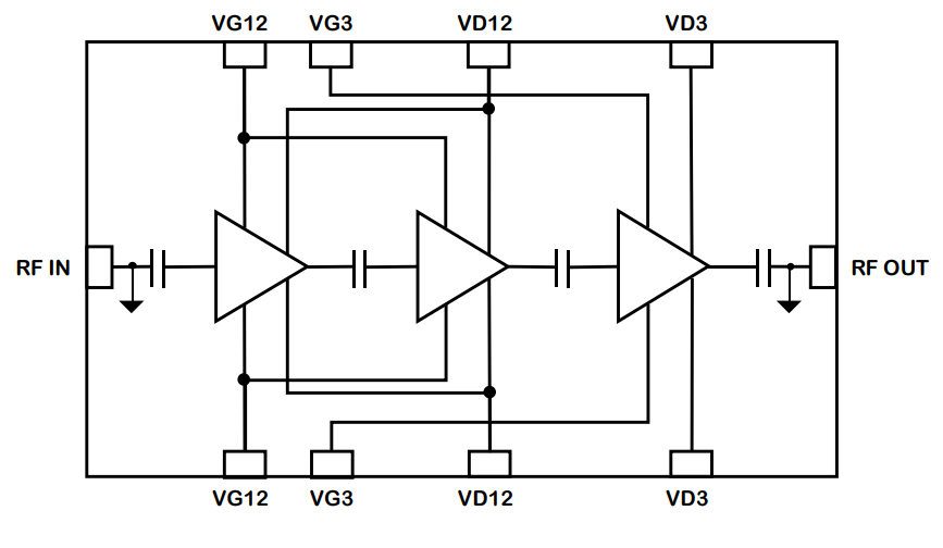
Qorvo QPA2210D and QPA2211D GaN Ka-Band Power Amplifiers operate between a 27GHz and 31GHz frequency range to support satellite communications and 5G infrastructure. The amplifiers are fabricated on Qorvo's 0.15µm gallium nitride (GaN) on silicon carbide (SiC) process. The amplifiers are also fully matched to 50Ω with integrated DC blocking caps on both I/O ports. The amplifiers are 100% DC and RF tested on-wafer to ensure compliance with electrical specifications.Features
- 27GHz to 31GHz frequency range
- GaN technology
- 1x channel
Specifications
- QPA2210D
- >38.4dBm PSAT (PIN=21 dBm)
- >32% PAE (PIN=21 dBm):
- >16dB power gain (PIN=21 dBm)
- <−25dBc IMD3 (at 31dBm/tone)
- >25dB small signal gain
- Bias: VD = 22V, IDQ = 200mA
- 2.740mm x 1.432mm x 0.050mm die dimensions
- 7W saturated output power
- 20V operating supply voltage
- 14dB input return loss
- 20W power dissipation
- QPA2211D
- >41.5dBm PSAT (PIN=24 dBm)
- >34% PAE (PIN=24 dBm)
- >17dB power gain (PIN=24 dBm)
- <−25 dBc IMD3 (at 34dBm/tone)
- >26dB small signal gain
- Bias: VD = 22V, IDQ = 280mA
- 2.740mm x 2.552mm x 0.050 mm die dimensions
- 14W saturated output power
- 22V operating supply voltage
- 12dB input return loss
- 40W power dissipation
Applications
- 5G infrastructure
- Satellite communications
Block Diagram
Published: 2019-08-19
| Updated: 2023-11-22
