Qorvo QPB9350 0.4GHz to 1.0GHz Dual-Ch Rx DVGAs
Qorvo QPB9350 0.4GHz to 1.0GHz Dual Channel Rx DVGAs are designed for high-performance macro base station receivers. The highly integrated QPB9350 Rx front-end modules combine high-performance first-stage low-noise amplifiers (LNA), digital step attenuators (DSA), and second-stage LNA in a dual-channel configuration. The power-down capability of the amplifiers can be controlled through dedicated shutdown pins for each channel. The LNAs utilize Qorvo’s efficient E-pHEMT process to deliver a 0.4dB noise figure for the first stage LNA. Gain control is facilitated via a 31dB range DSA in 1dB steps.The Qorvo QPB9350 is housed in a RoHS-compliant, compact 5mm x 5mm 32-pin surface-mount leadless package.
Features
- 0.4GHz to 1.0GHz frequency range
- Integrates LNAs, DSA
- Dual channel configuration
- Integrated shutdown capability
- LNA1 at 0.4dB NF, 23dB gain, 37dBm OIP3
- 31dB gain control range, 1dB step size
- +5V supply voltage
- SPI control interface
- +1.8V logic compatible
Applications
- Wireless infrastructure
- Diversity receivers
- TDD or FDD systems
Specifications
- -55°C to 150°C storage temperature
- +20dBm RF input power, CW, 50Ω, T=25°C
- -0.3V reverse supply voltage
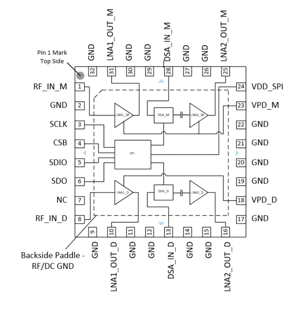
Functional Block Diagram
Published: 2024-05-26
| Updated: 2024-06-07
