Qorvo QPL9057EVB1 Evaluation Board

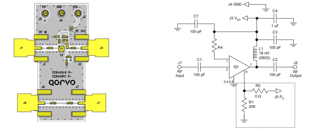
Qorvo QPL9057EVB1 Evaluation Board is designed to evaluate the QPL9057 ultra-low noise flat gain amplifiers. This evaluation board operates at a frequency range of 0.6GHz to 4.2GHz. The QPL9057EVB1 evaluation board consists of a through line that helps to de-embed the board losses. The Qorvo QPL9057EVB1 Evaluation Board's R4 resistor is used to set the current draw and it can be changed for the desired bias point.

Overview

Qorvo QPL9057EVB1 Evaluation Board

Videos

Published: 2018-12-05 | Updated: 2023-02-07