Qorvo QPM2637 X-Band GaN MMIC Front-End Module (FEM)
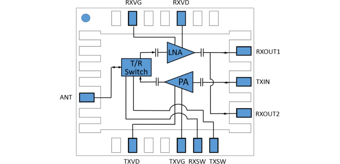
Qorvo QPM2637 X-Band GaN (Gallium Nitride) MMIC (Monolithic Microwave Integrated Circuit) Front-End Module (FEM) is optimized for X-Band radar applications within the 9.0GHz to 10.5GHz range. The QPM2637 FEM integrates a transmit/receive switch, a low-noise amplifier, and a power amplifier. The receive path has dual-outputs which offer 21dB gain and a 2.7dB noise figure. The transmit path delivers 4W of saturated power with 23dB large signal gain. The FEM is robust up to 4W of input power into the antenna port, eliminating the need for an external limiter.The Qorvo QPM2637 FEM is fabricated on a proprietary QGaN25 0.25µm GaN-on-SiC process. The air-cavity EHS (embedded copper heat slug) surface mount package, coupled with a proprietary die-attach process, allows the QPM2637 to perform well at high case temperatures. The device's compact 6.0mm x 5.0mm size supports the tight lattice spacing requirements needed for X-Band phased array radar applications.
Features
- 9GHz to 10.5GHz frequency range
- 2.7dB Rx noise figure
- 21dB Rx small signal gain
- 21dBm Rx Output TOI
- 10V Rx voltage
- 60mA Rx current
- 32dB Tx small signal gain
- 36dBm Tx saturated power
- 23dB Tx large signal gain
- 38% Tx power added efficiency (PAE) at 36dBm average Pout
- 6.0mm x 5.0mm x 1.8mm air-cavity EHS package
- Halogen-free, lead-free, and RoHS compliant
Applications
- Commercial and military radar
- Communications
- Electronic Warfare
Block Diagram
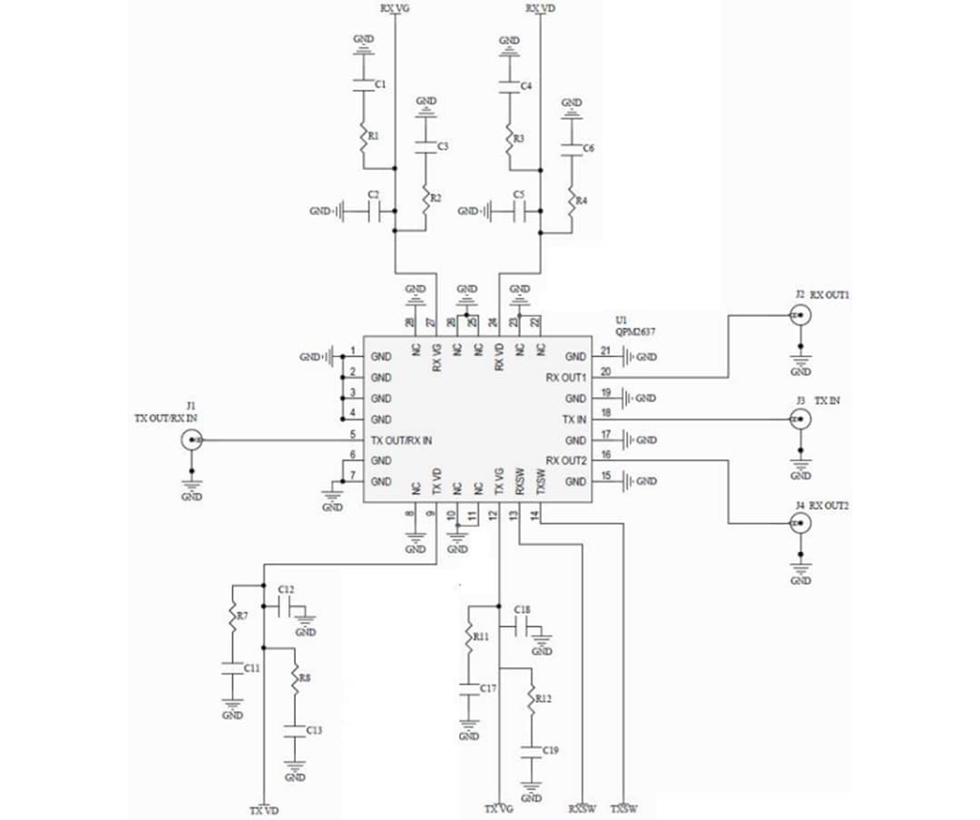
Typical Application Circuit
Published: 2021-12-06
| Updated: 2025-08-27
