Qorvo QPQ5601 Evaluation Board
Qorvo QPQ5601 Evaluation Board evaluates the QPQ5601 Wi-Fi® U-NII 5 to 8 bandBoost™ Bulk Acoustic Wave (BAW) band-pass filters. This evaluation board is designed to provide performance representative of that obtainable in an actual application. The QPQ5601 evaluation board operates with 50Ω load impedance at all RF ports provided with SMA connector interfaces. The total Printed Circuit Board (PCB) thickness of the evaluation board accounts for 0.062in. Typical applications include access points, wireless routers, residential gateways, customer premise equipment, and IoT.Features
- 5945MHz to 7125MHz operating frequency range
- Functions with 50Ω load impedances at all RF ports
- 0.062in PCB thickness
- -20°C to 95°C operating temperature range
Applications
- Access points
- Wireless routers
- Residential gateways
- Customer premise equipment
- Internet of Things (IoT)
Kit Contents
- QPQ5601 Wi-Fi® BAW filter
- Printed Circuit Board (PCB)
PCB Overview
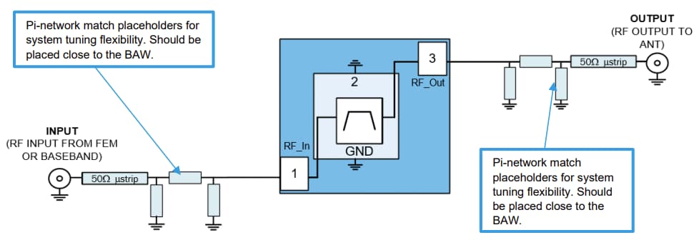
System Architecture Application Circuit Recommendations
Schematic Diagram
Additional Resource
Published: 2023-10-26
| Updated: 2023-11-16
