Qorvo QPX0002 2.5-15GHz I/Q Mixer

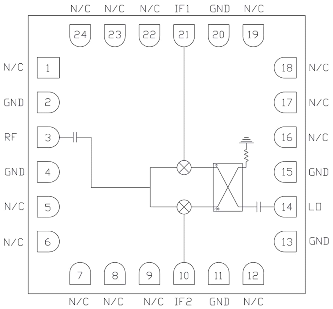
Qorvo QPX0002 2.5-15GHz I/Q Mixer is a compact, wideband I/Q GaAs mixer housed in a 4mm x 4mm air cavity surface mount ceramic package. Operating over the 2.5GHz to 15GHz bandwidth, the mixer can be configured as an image reject mixer, a single sideband upconverter, or a QPSK modulator/demodulator. The QPX0002 utilizes two double balanced mixer cells and a 90⁰ hybrid internal to the MMIC. An external 90⁰ IF hybrid is required to complete the image rejection or sideband suppression. The Qorvo QPX0002 is a much smaller alternative to higher-cost hybrid I/Q Mixers and single sideband upconverter assemblies.

Features

  • I, Q outputs
  • 2.5GHz to 15GHz RF, LO frequency range
  • DC – 1GHz IF frequency range
  • Low conversion loss of 8dB at 8GHz
  • High image rejection of 22dB
  • High LO/RF isolation > 50dB at 8GHz
  • Wide operating bandwidth
  • 4mm x 4mm x 1.2mm package dimensions

Applications

  • Image reject downconversion
  • Single-sideband modulation
  • Low noise receiver systems
  • Phase detection
  • Electronic Warfare (EW)
  • QPSK modulation/demodulation

Functional Block Diagram

Block Diagram - Qorvo QPX0002 2.5-15GHz I/Q Mixer
Published: 2021-05-28 | Updated: 2022-03-11